
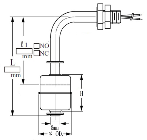
Interruttore a galleggiante di livello del liquido

Specificazioni:
1.Volt di commutazione:250 VAC
2.Corrente di commutazione: 0.7A
3.Contatto:NO/NC
5.Conduttore:30 millimetri PVC, PVDF
6.Intervallo di temperatura:120°C SUS
7..Materiale del corpo:SUS304
8.Collegamento:Filettatura 1/8 "PF, 3/8 "PF, M10x15, M10X1.0
9.Galleggiante Dimensione:28X28X9.5
Magnetici Interruttori di livello a galleggiante sono disponibili con paratia, filetto maschio, tappo filettato maschio o flangia.Questi interruttori possono essere montati con lo stelo fino a un 30°angolo dalla verticale.
Utilizzare questi interruttori se è necessario variare il livello di rilevamento nel tempo o voglia di mantenere il livello di un liquido all'interno di un pollice o così.Multi-sensori di livello possono essere utilizzati anche per superare i problemi slosh.Per ulteriori informazioni o contattarci per discutere la vostra applicazione.
Galleggiante magnetico viaggia su e giù per il fusto tra galleggiante smette di azionamento o de-l'azionamento di un contatto reed secco incapsulato all'interno del fusto.Quando il campo magnetico viene in prossimità del commutatore, il contatto si chiude.Funzionamento dell'interruttore è determinato in una condizione asciutta con l'installazione montaggio e il galleggiante a riposo contro l'arresto galleggiante inferiore.
- Casa -> Prodotti -> Interruttore di livello elettrodo : DE Series
- Casa -> Prodotti -> Elettrodo Interruttore di livello tipo : HM Series
- Casa -> Prodotti -> Interruttori di livello per liquidi : MF Series
- Casa -> Prodotti -> Interruttore a galleggiante di livello del liquido : PL
- Casa -> Prodotti -> Interruttori di livello magnetici : PS
- Casa -> Prodotti -> Capo Terminal : Alloy Aluminum
- Casa -> Prodotti -> Teste Terminal : Aluminum Alloy D2G4
- Casa -> Prodotti -> Testa della termocoppia : SUS316 D2G4
- Casa -> Prodotti -> Scatola di giunzione : Junction Box- Aluminum Alloy EX-proof
















