
เซ็นเซอร์ระดับน้ำ

ข้อมูลจำเพาะ:
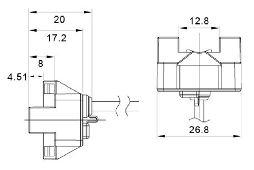
1การตรวจวัดระยะทาง: 6~13mm, Tube ความหนา 1 มม..วัสดุท่อ:PEP, PFA
2แรงดันไฟฟ้าในการใช้งาน:12~24VDC (±10%)5%(p-p) สูงสุดระลอก
3ความถี่ตอบสนอง:600 เฮิร์ตซ์
4โหลดปัจจุบัน:แม็กซ์ DC 30V 200mA
5ไฟแสดงเอาต์พุต:LED
6การบริโภคในปัจจุบัน:สูงสุด 80mA
7ระดับความปลอดภัย:IP65
8สภาวะขณะปฏิบัติงาน:-10~55℃
9วัสดุที่อยู่อาศัย:โพลีคาร์บอเนต
10ความยาวสายเคเบิลเชื่อมต่อ:1M
ลักษณะ:
1เหมาะอย่างยิ่งสำหรับการตรวจสอบระดับของเหลว
2เหมาะสำหรับการใด 6-ถึง 13-mm-ท่อขนาดเส้นผ่าศูนย์กลางโปร่งใส
3เหมาะสำหรับความหนาของผนังไม่เกิน 1 มม.
4.12ถึง 24 VDC แรงดัน
5ง่ายต่อการติดตั้งผูก-ห่อและยางหลอด
6คะแนนระดับ IP65
รวมตัวเลือกความไวแสงที่สร้างขึ้น-ในเครื่องขยายเสียงและเลือกโหมดการทำงาน.เน็คไท-ห่อและท่อยางให้เพื่อป้องกันการลื่นไถล.เหมาะสำหรับการใด 6-ถึง 13-มิลลิเมตรหรือกึ่งโปร่งใส-ท่อโปร่งใสที่มีความหนาของผนัง 1 มิลลิเมตร.สร้างขึ้น-ในเครื่องขยายเสียงที่มีเอาท์พุท NPN ความพยายามประหยัดพื้นที่และการเดินสายไฟ.ขนาดกะทัดรัดเหมาะสำหรับการ miniaturization ของอุปกรณ์.ใช้แป้งโรยตัว-สายฟรีที่เหมาะสำหรับอุปกรณ์ที่ใช้ในการผลิต
เซมิคอนดักเตอร์
ตรวจหาของเหลวพลาสติกชิปซิลิโคนผง...ฯลฯ...ระยะทางที่ตรวจพบแตกต่างกันไปตามอย่างใกล้ชิดกับทรัพย์สินของปัจจัยต่างๆเช่นไฟฟ้าไอออน (สัมประสิทธิ์สื่อไฟฟ้าหรือตัวนำไฟฟ้าค่าสัมประสิทธิ์บุหรี่ไฟฟ้า), ความชื้นปริมาณของวัตถุ.เหล่านี้จะส่งผลกระทบต่อระยะการตรวจจับตาม
- บ้าน -> ผลิตภัณฑ์ -> สวิทช์ตั้ง Capacitive : DIM-3016 / 3025
- บ้าน -> ผลิตภัณฑ์ -> เซนเซอร์ตรวจจับระดับของเหลว : DCP-13
- บ้าน -> ผลิตภัณฑ์ -> สวิทช์ตั้ง Capacitive : DIM-5502
- บ้าน -> ผลิตภัณฑ์ -> เซนเซอร์ Capacitive : DIM-07
- บ้าน -> ผลิตภัณฑ์ -> เซ็นเซอร์ระดับน้ำ : P100
- บ้าน -> ผลิตภัณฑ์ -> เซนเซอร์ตรวจจับน้ำรั่ว : EX-100
















