DiWi Enterprise Co.,Ltd specialiseert zich in de Productie van, het Voorzien van en het Uitvoeren van Van de Digitale manometer, met een fabriek in Taiwan.Het is altijd onze nadruk geweest om Van de bron hoogste kwaliteits producten te vervaardigen en hen te leveren vanaf programma.Onze innovatieve geest laat ons toe om voor onze concurrenten te gaan die met de meest geavanceerde testende faciliteiten van Van de producten uitgerust.De onderzoeken van globale groothandelaars, verdelers, kopers, agenten en Van de OEM/ODM worden ingestemd met.

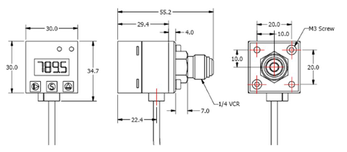
Digitale manometer


Toepassingen:
1.Procesbeheersing
2.Hydraulics & Pneumatic
3.Compressor Controle
4.Chillers
5.Koelapparatuur
Kenmerken:
1.Digitale display
2.100% Instelbare setpoint en dode band
3.Alle solid-state ontwerp
4.4-20 mA uitgang modellen beschikbaar
5.Registreert en geeft MAX/MIN proces extremen
6.Continu slaat HI/LO extremen
Onderzoek nu +Onderzoek nu -
Producten Lijst
- Huis -> Producten -> Dompelpompen Pressure Sensor : DW-Y02
- Huis -> Producten -> Druktransmitter : GP41/40
- Huis -> Producten -> Druktransmitters : DP-500
- Huis -> Producten -> Digitale drukschakelaar : DP42
- Huis -> Producten -> Digitale manometer : MS-SA/SB
Onze deskundigheid heeft ons toelaten om de van de
















