專門製造,供應和出口數字壓力表,工廠位於Taiwan。客戶的滿意度由產品的質量和我們的承諾決定。我們一向專注於製造高品質產品,按時交貨並提供優質的售後服務。我們具有創新精神,配備最先進的生產檢測設備來製造各類產品。歡迎來自全球的批發商,分銷商,採購商,代理商和產品OEM/ODM來函來電垂詢。

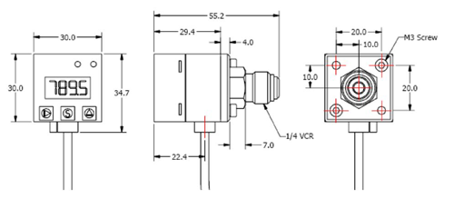
數字壓力表


應用:
1。過程控制
2。液壓與氣動
3。壓縮機控制
4。冷卻器
5。製冷設備
特點:
1。數字顯示
2.100%可調設定點和死區
3。全固態設計
4.4-20 mA輸出模式
5。捕獲和顯示MAX/極端最小過程
6。連續存儲HI/LO極端
產品展示 產品列表
- 首頁 -> 產品展示 -> 潛水式壓力傳感器 : DW-Y02
- 首頁 -> 產品展示 -> 壓力變送器 : GP41/40
- 首頁 -> 產品展示 -> 壓力變送器 : DP-500
- 首頁 -> 產品展示 -> 數字式壓力開關 : DP42
- 首頁 -> 產品展示 -> 數字壓力表 : MS-SA/SB
我們的專業知識保證我們優質的
















