
Dòng chảy Sight

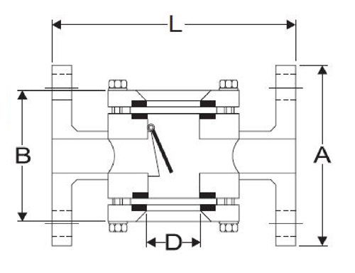
Thông số kỹ thuật:
1.Cơ thể:SUS304, SUS316, PVC, PP
2.Xem:Ống thủy tinh
3.Tối đa.Áp lực:30 kg/cm²
4.Phạm vi nhiệt độ: 0~250°C
5.Dây nhỏ cuốn buồm:Teflon, Viton, amiăng, Neoprene
6.Liên quan: 3/8"~8 "mặt bích tiêu chuẩn JIS, ANSI

Ứng dụng
Hệ thống quá trình hóa học, hệ thống xử lý nước, hệ thống dòng chảy công nghiệp.Dòng chảy đo kính mắt được thiết kế để dễ dàng quan sát dòng chảy chất lỏng từ lên hoặc xuống thông.
Tính năng:
1.Mạnh mẽ
2.Kích thước chính xác
3.Kết thúc liền mạch
4.Tuổi thọ lâu dài
5.Chi phí bảo trì thấp
Chuyên môn miền của chúng tôi đã cho phép chúng tôi đưa ra một loạt các Sight Glass được sử dụng để theo dõi mức độ và dòng chảy của chất lỏng trong tàu và đường ống dẫn.Chúng tôi cung cấp hai loại khác nhau của kính áp lực cao và thấp tương ứng.Xem Toàn bộ kính ngắm được sử dụng để áp thấp quá trình ứng dụng và cửa sổ đôi cho cao ứng dụng quá trình áp lực.Cả kính ngắm cho tầm nhìn hoàn hảo để xem chất lỏng.Chúng tôi đã cho phép mình để cung cấp kính ngắm tùy chỉnh để khách hàng quen của chúng tôi có giá trị theo nhu cầu của họ.Chúng tôi cung cấp cửa-bước giao hàng vào thời gian quy định.
- Trang chủ -> Sản phẩm -> Điều khiển dòng chảy : FC-600
- Trang chủ -> Sản phẩm -> Tàu hơi nước Flow Meter : PWFM
- Trang chủ -> Sản phẩm -> Paddle Flow Switch : DFB
- Trang chủ -> Sản phẩm -> Chèo Loại Flow Switch : DFS
- Trang chủ -> Sản phẩm -> Công tắc dòng chảy mái chèo : DFA
- Trang chủ -> Sản phẩm -> Chèo Loại tắc dòng chảy : DFX
- Trang chủ -> Sản phẩm -> Kỹ thuật số Flow Meter : DFM
- Trang chủ -> Sản phẩm -> Công tắc dòng chảy : FSX
- Trang chủ -> Sản phẩm -> Nước Flow Switch : FSX
- Trang chủ -> Sản phẩm -> Dòng chảy Sight Glass : FGA
- Trang chủ -> Sản phẩm -> Dòng chảy Sight : FGB
















