
Sight flusso

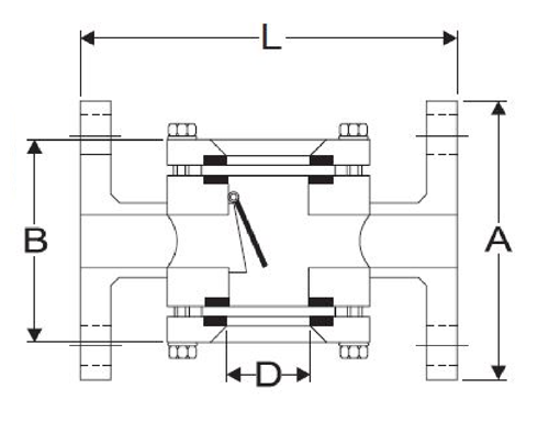
Specificazioni:
1.Corpo:SUS304, SUS316, PVC, PP
2.Visualizza:Tubo di vetro
3.Max.Pressione:30 kg/cm²
4.Intervallo di temperatura: 0~250°C
5.Guarnizione:Teflon, Viton, Amianto, Neoprene
6.Collegamento: 3/8"~8 "flangia JIS, ANSI

Applicazione
Sistema di processo chimico, sistema di trattamento dell'acqua, sistema di flusso industriale.L'indicatore spia di flusso è stato progettato per una facile osservazione del fluire dal su o giù il pino.
Lineamenti:
1.Robustezza
2.Dimensione esatta
3.Rivestimento senza soluzione di continuità
4.Lunga durata di vita
5.Bassi costi di manutenzione
La nostra esperienza nel settore ci ha permesso di trovare una vasta gamma di vetro di vista che vengono utilizzati per monitorare il livello e il flusso di liquido in serbatoi e tubazioni.Forniamo due diversi tipi di vetro per pressioni di alto e basso livello rispettivamente.Visualizzazione completa vista in vetro è utilizzato per applicazioni di processo a bassa pressione e doppia finestra per alta applicazione di processo pressioni.Sia il vetro di vista dà una visione perfetta per guardare liquido.Noi stessi abbiamo permesso di fornire spia personalizzato per i nostri clienti stimati in base alle loro richieste.Forniamo porta-passaggio di consegna in tempo convenuto.
- Casa -> Prodotti -> Regolatore di flusso : FC-600
- Casa -> Prodotti -> Paddle Wheel Flow Meter : PWFM
- Casa -> Prodotti -> Flussostato a paletta : DFB
- Casa -> Prodotti -> Tipo Paddle Flussostato : DFS
- Casa -> Prodotti -> Paddle Interruttori di flusso : DFA
- Casa -> Prodotti -> Tipo Paddle Interruttori di flusso : DFX
- Casa -> Prodotti -> Misuratore di portata digitale : DFM
- Casa -> Prodotti -> Interruttori di flusso : FSX
- Casa -> Prodotti -> Flussostato acqua : FSX
- Casa -> Prodotti -> Flusso di vetro di vista : FGA
- Casa -> Prodotti -> Sight flusso : FGB
















