
Interrupteur à flotteur de niveau

1.Puissance de commutation:70W
2.Vlots commutation:150 VDC
3.Courant de commutation:0.5Amp
4.Max.Pression:4 kg/cm²
5.Float S.G: 0.6 g/cm³
6.Température:-10~85°C
7.Matériel:ABS
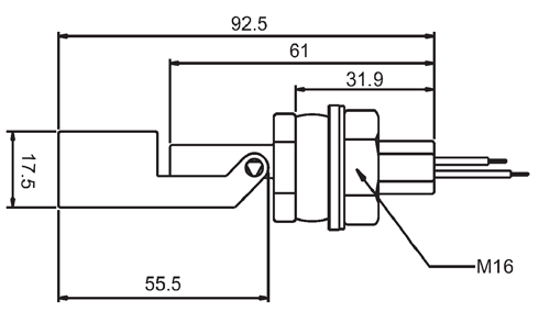
8.Fil de connexion:M16
A, interrupteur à flotteur monté horizontalement compact peut être configuré en tant que normalement-ouvert ou normalement-interrupteur fermé simplement en le tournant à 180°dans sa poussée en forme de montage.Lorsque le niveau de l'eau atteint le flotteur, le flotteur se déplace, et un aimant interne active un relais Reed scellé dans le dispositif.Le capteur est livré pré-câblé avec volants fils de sortie.
Applications typiques
1.Chemical niveau haut ou bas
2.Huile de cuisine
3.bas niveau de carburant
4.Alcools
5.Niveau Slump
6.aquariums
Un interrupteur à flotteur est un dispositif utilisé pour détecter le niveau de liquide dans un réservoir.L'interrupteur peut actionner une pompe, un indicateur, une alarme ou tout autre dispositif.Utilisez-les avec la culture hydroponique, réservoir d'eau de mer, réservoir d'eau douce, le jardinage, les aquariums pour le contrôle de la tête de puissance, bols pour animaux de compagnie, aquariums, filtration, chauffage, les pompes, les étangs, les alarmes de sous-sol, bateaux, état bacs de récupération d'air, nettoyeurs haute pression, nettoyage de tapis mach,reef aquarium, contrôle des fluides, machines à glace, cafetières, marines, l'automobile, les voitures, les réservoirs de poissons tropicaux, serpentins de l'évaporateur, la ligne de condensation, en relais, ou quel que soit votre projet peut être.Il peut être facilement converti normalement ouvert à fermer normalement en inversant le flotteur.
- Maison -> Produits -> Interrupteur à flotteur de câble : FS Series
- Maison -> Produits -> Câble interrupteur à flotteur de niveau : DF Series
- Maison -> Produits -> Acier inoxydable interrupteur à flotteur : D-HYZ-47
- Maison -> Produits -> Acier inoxydable Régulateurs : D-HYZS-47
- Maison -> Produits -> Détecteur de niveau à flotteur Mini : D-HYZT-47
- Maison -> Produits -> Mini interrupteur à flotteur de niveau : D-LS-85
- Maison -> Produits -> Interrupteur à flotteur de niveau : D-YZ-5
- Maison -> Produits -> Interrupteur à flotteur de niveau : D-S1A28
- Maison -> Produits -> Float type de commutateur de niveau : D-S2A28
- Maison -> Produits -> Niveau à flotteur Interrupteurs : D-YZP-38
- Maison -> Produits -> Flotteur de niveau : D-YZP-86
- Maison -> Produits -> Petit interrupteur à flotteur : D-YZP-95
- Maison -> Produits -> À flotteur Valve : PFV-100
- Maison -> Produits -> Float Valve en plastique : PFV-200
- Maison -> Produits -> Float Valve mécanique : Mechanical Float Valve
- Maison -> Produits -> Eau Float Valve : DFV-06S
- Maison -> Produits -> Float niveau d'eau Valve : DFV-06L
















