.ونحن على التقنية Taiwan تعويم المستوى التبديل الصانع والمصنع والمورد والمصدر. اعتمادا على استثمار مستقرة ، والكفاءة العالية وجيدة بعد- خدمة بيع وحققنا لنا باعتبارها واحدة من أبرز مصنعي ومصدري في الصناعة. نحن نعد منتجات ذات جودة عالية وأسعار تنافسية ، وعلى- التسليم في الوقت المحدد لك. لقد تم تأسيس الطويل- مدة العمل مع عملائنا. إذا كنت مهتما في أي نموذج من منتجاتنا ، يرجى أن يكون حرا في اتصل بنا.

تعويم المستوى التبديل

1.تحويل التيار:70W
2.Vlots التحول:150 VDC
3.التحول الحالي:0.5أمبير
4.ماكس.الضغط:4 كجم/cm²
5.تطفو S.G: 0.6 g/cm³
6.متوسط درجة الحرارة:-10~85°C
7.مادة:ABS
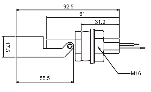
8.اتصال الموضوع:M16
يمكن تكوين المدمجة، والتبديل تعويم شنت أفقيا باعتبارها عادة-مفتوحة أو عادة-إغلاق التبديل ببساطة عن طريق تناوب عليه من خلال 180°في دفعة مناسبا لها المتصاعدة.عندما يكون مستوى الماء يصل إلى تعويم، ينتقل تعويم والمغناطيس الداخلية ينشط التتابع ريد مختومة في الجهاز.ويتم تزويد جهاز استشعار مسبقا-السلكية مع الخيوط التي ترفع الانتاج.
التطبيقات النموذجية
1.الكيميائية عالية أو انخفاض مستوى
2.زيت الطبخ
3.مستوى منخفض للوقود
4.الكحولات
5.المستوى الركود
6.أحواض السمك
فالتحول تعويم هو جهاز يستخدم لاستشعار مستوى السائل في خزان.التبديل قد تحفيز مضخة، مؤشر، والتنبيه، أو أي جهاز آخر.استخدامها مع الزراعة المائية، خزان المياه المالحة، خزان المياه العذبة، والحدائق، أحواض السمك للسيطرة على رأس السلطة، والسلطانيات الحيوانات الأليفة، والدبابات الأسماك، والترشيح، والتدفئة، والمضخات، والبرك، وأجهزة الإنذار الطابق السفلي، والقوارب، والمقالي حالة استنزاف الهواء، والضغط غسالات، السجاد تنظيف ماخ،الشعاب المرجانية حوض السمك، ومراقبة السوائل، وآلات صنع الثلج، وأواني القهوة، والبحرية، والسيارات، والسيارات، والدبابات الأسماك الاستوائية، لفائف المبخر، خط التكثيف، في التبديلات، أو أيا كان مشروعك قد تكون.يمكن تحويلها بسهولة من مفتوحة بشكل طبيعي لإغلاق عادة عن طريق تعويم قلب.
الاستفسار الآن +الاستفسار الآن -
المنتجات قائمة
- نزل -> المنتجات -> كابل التبديل تعويم : FS Series
- نزل -> المنتجات -> كابل المستوى تعويم التبديل : DF Series
- نزل -> المنتجات -> الفولاذ المقاوم للصدأ تعويم التبديل : D-HYZ-47
- نزل -> المنتجات -> الفولاذ المقاوم للصدأ مفاتيح التبديل ذات العوامة : D-HYZS-47
- نزل -> المنتجات -> تعويم التبديل البسيطة مستوى : D-HYZT-47
- نزل -> المنتجات -> مصغرة مفاتيح مستوى تعويم : D-LS-85
- نزل -> المنتجات -> تعويم المستوى التبديل : D-YZ-5
- نزل -> المنتجات -> تعويم مفاتيح المستوى : D-S1A28
- نزل -> المنتجات -> تطفو نوع التبديل مستوى : D-S2A28
- نزل -> المنتجات -> تطفو مفاتيح مستوى النوع : D-YZP-38
- نزل -> المنتجات -> العائمة تبديل المستوى : D-YZP-86
- نزل -> المنتجات -> التبديل تعويم الصغيرة : D-YZP-95
- نزل -> المنتجات -> الكرة صمام تعويم : PFV-100
- نزل -> المنتجات -> البلاستيك صمام تعويم : PFV-200
- نزل -> المنتجات -> الميكانيكية صمام تعويم : Mechanical Float Valve
- نزل -> المنتجات -> المياه صمام تعويم : DFV-06S
- نزل -> المنتجات -> مستوى المياه صمام تعويم : DFV-06L
خبرتنا وتمكننا من ضمان أفضل
















