.ونحن على التقنية Taiwan التبديل تعويم الصغيرة الصانع والمصنع والمورد والمصدر. اعتمادا على استثمار مستقرة ، والكفاءة العالية وجيدة بعد- خدمة بيع وحققنا لنا باعتبارها واحدة من أبرز مصنعي ومصدري في الصناعة. نحن نعد منتجات ذات جودة عالية وأسعار تنافسية ، وعلى- التسليم في الوقت المحدد لك. لقد تم تأسيس الطويل- مدة العمل مع عملائنا. إذا كنت مهتما في أي نموذج من منتجاتنا ، يرجى أن يكون حرا في اتصل بنا.

التبديل تعويم الصغيرة

1.تحويل التيار:70W
2.Vlots التحول:150 VDC
3.التحول الحالي:0.5أمبير
4.ماكس.الضغط:4 كجم/cm²
5.تطفو S.G: 0.9 g/cm³
6.متوسط درجة الحرارة:-20~120°C
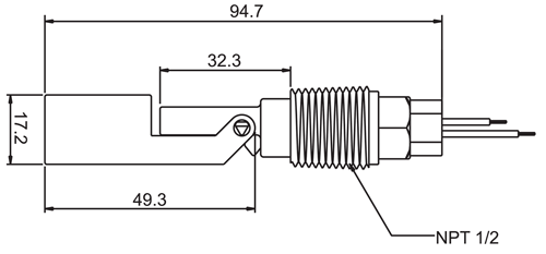
7.تطفو الحجم: Ø17.2X49.3
8.مادة:PVDF
9.اتصال الموضوع:معاهدة حظر الانتشار النووي 1/2
التبديل تعويم مدمجة للغاية، بسيطة وسهلة لتثبيت على أي مساحة صغيرة.لا تتأثر هذه المفاتيح عن طريق التداخل الكهربائي.فإنها يمكن أن تحمل للمواد الكيميائية، ودرجات حرارة عالية وضغوط إذا تم تحديد المواد الصحيحة من تعويم التبديل من قبل العملاء.
التبديل مستوى واحد مع الإخراج تتابع SPST.مصغرة للأغراض العامة-تطفو مفاتيح مستوى توفير موثوقة كشف مستوى السائل من المياه والمواد الكيميائية حلول نظيفة مع0.5أمبير ريد خرج التبديل.وتشمل الأمثلة سائل الإعلام الماء وحامض الكبريتيك.هي التي شنت أجهزة الاستشعار البولي بروبلين أو PVDF مستوى السائل داخل الخزان الأفقي وجهاز إنذار مستوى ارتفاع أو انخفاض مستوى الانذار.
الاستفسار الآن +الاستفسار الآن -
المنتجات قائمة
- نزل -> المنتجات -> كابل التبديل تعويم : FS Series
- نزل -> المنتجات -> كابل المستوى تعويم التبديل : DF Series
- نزل -> المنتجات -> الفولاذ المقاوم للصدأ تعويم التبديل : D-HYZ-47
- نزل -> المنتجات -> الفولاذ المقاوم للصدأ مفاتيح التبديل ذات العوامة : D-HYZS-47
- نزل -> المنتجات -> تعويم التبديل البسيطة مستوى : D-HYZT-47
- نزل -> المنتجات -> مصغرة مفاتيح مستوى تعويم : D-LS-85
- نزل -> المنتجات -> تعويم المستوى التبديل : D-YZ-5
- نزل -> المنتجات -> تعويم مفاتيح المستوى : D-S1A28
- نزل -> المنتجات -> تطفو نوع التبديل مستوى : D-S2A28
- نزل -> المنتجات -> تطفو مفاتيح مستوى النوع : D-YZP-38
- نزل -> المنتجات -> العائمة تبديل المستوى : D-YZP-86
- نزل -> المنتجات -> التبديل تعويم الصغيرة : D-YZP-95
- نزل -> المنتجات -> الكرة صمام تعويم : PFV-100
- نزل -> المنتجات -> البلاستيك صمام تعويم : PFV-200
- نزل -> المنتجات -> الميكانيكية صمام تعويم : Mechanical Float Valve
- نزل -> المنتجات -> المياه صمام تعويم : DFV-06S
- نزل -> المنتجات -> مستوى المياه صمام تعويم : DFV-06L
خبرتنا وتمكننا من ضمان أفضل
















