DiWi Enterprise Co.,Ltd specializza nella fabbricazione, fornente ed esportante alla Piccolo interruttore a galleggiante, una fabbrica in Taiwan.È stato sempre il nostro fuoco per fabbricare la prodotti superiore di fonte di aria e per trasportarlo secondo programma.Il nostro spirito innovatore ci permette di andare davanti ai nostri competitori dotati delle facilità di prova più avanzate della prodotti.Le inchieste dai grossisti, dai distributori, dai compratori, dagli agenti e dalla prodotti OEM/ODM sono accolte favorevolmente.

Piccolo interruttore a galleggiante

1.Switching Power:70W
2.Vlots commutazione:150 VDC
3.Corrente di commutazione:0.5Amp
4.Max.Pressione:4 kg/cm²
5.Galleggiante S.G: 0.9 g/cm³
6.Intervallo di temperatura:-20~120°C
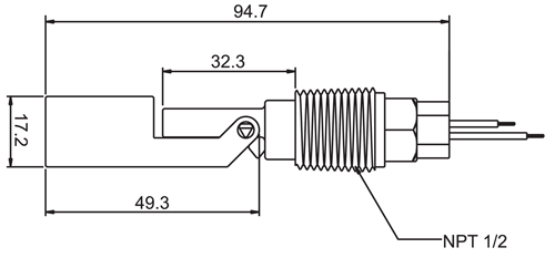
7.Galleggiante Dimensione: ø17.2x49.3
8.Materiale:PVDF
9.Filettatura raccordo:NPT 1/2
Gli interruttori a galleggiante sono estremamente compatto, semplice e sono facili da installare su qualsiasi piccolo spazio.Questi interruttori non sono interessati da interferenze elettriche.Possono resistere agli agenti chimici, alle alte temperature e pressioni se il corretto materiale di galleggiante è scelto dai clienti.
Interruttore di livello con un'uscita a relè SPST.Scopo generale mini-galleggiano interruttori di livello forniscono un rilevamento affidabile del livello del liquido di acqua e soluzioni chimiche pulite con un0.5Amp reed uscita di commutazione.Esempi di media includono acqua e acido solforico.I sensori di livello di liquidi in polipropilene o PVDF sono montati orizzontale all'interno della vasca come un allarme di alto livello o di allarme di basso livello.
Inchiesta ora +Inchiesta ora -
Prodotti lista
- Casa -> Prodotti -> Galleggiante Cavo : FS Series
- Casa -> Prodotti -> Cavo Interruttore di livello a galleggiante : DF Series
- Casa -> Prodotti -> Interruttore galleggiante in acciaio inox : D-HYZ-47
- Casa -> Prodotti -> Interruttori a galleggiante in acciaio inossidabil : D-HYZS-47
- Casa -> Prodotti -> Mini interruttore di livello a galleggiante : D-HYZT-47
- Casa -> Prodotti -> Mini Interruttori di livello a galleggiante : D-LS-85
- Casa -> Prodotti -> Interruttore di livello a galleggiante : D-YZ-5
- Casa -> Prodotti -> Interruttori di livello a galleggiante : D-S1A28
- Casa -> Prodotti -> Interruttore galleggiante Livello Tipo : D-S2A28
- Casa -> Prodotti -> Interruttori di livello a galleggiante : D-YZP-38
- Casa -> Prodotti -> Sonda di livello : D-YZP-86
- Casa -> Prodotti -> Piccolo interruttore a galleggiante : D-YZP-95
- Casa -> Prodotti -> Valvola a galleggiante a sfera : PFV-100
- Casa -> Prodotti -> Valvola a galleggiante di plastica : PFV-200
- Casa -> Prodotti -> Valvola a galleggiante meccanico : Mechanical Float Valve
- Casa -> Prodotti -> Valvola a galleggiante acqua : DFV-06S
- Casa -> Prodotti -> Valvola a galleggiante del livello d'acqua : DFV-06L
La nostra perizia ha permetterci di accertare la
















