Chúng tôi là một kỹ thuật Taiwan Chuyển nổi nhỏ nhà sản xuất, nhà máy, nhà cung cấp và xuất khẩu. Tùy thuộc vào đầu tư ổn định, thẩm quyền cao và dịch vụ sau bán hàng tốt, chúng tôi đã làm cho chúng tôi là một trong những nhà sản xuất và xuất khẩu hàng đầu trong ngành công nghiệp. Chúng tôi hứa sản phẩm chất lượng và giá cả cạnh tranh và giao hàng đúng thời gian cho bạn. Chúng tôi đã thiết lập kinh doanh lâu dài với khách hàng của chúng tôi. Nếu bạn quan tâm trong bất kỳ mô hình của các sản phẩm của chúng tôi, xin vui lòng được tự do liên hệ với chúng tôi.

Chuyển nổi nhỏ

1.Power:70W
2.Vlots chuyển đổi:150 VDC
3.Chuyển đổi hiện tại:0.5Amp
4.Tối đa.Áp lực:4 kg/cm²
5.Nổi S.G: 0.9 g/cm³
6.Phạm vi nhiệt độ:-20~120°C
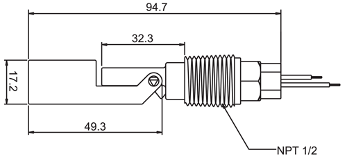
7.Kích nổi: ø17,2x49,3
8.Tài liệu:PVDF
9.Kết nối chủ đề:NPT 1/2
Công tắc phao là cực kỳ nhỏ gọn, đơn giản và dễ dàng cài đặt trên bất kỳ không gian nhỏ.Các biến đổi này không bị ảnh hưởng bởi nhiễu điện.Họ có thể chịu được hóa chất, nhiệt độ cao và áp lực nếu các tài liệu chính xác của phao là lựa chọn của khách hàng.
Mức độ chuyển đổi với một đầu ra rơ le SPST.Mục đích chung nhỏ-nổi thiết bị chuyển mạch cung cấp phát hiện mức chất lỏng đáng tin cậy của nước và hóa chất các giải pháp sạch với một0.5Amp đầu ra chuyển đổi cây lau.Phương tiện truyền thông ví dụ bao gồm nước và axit sulfuric.Các cảm biến mức chất lỏng polypropylene hoặc PVDF được đặt ngang bên trong xe tăng như một báo động mức cao hoặc báo động mức thấp.
Yêu cầu Bây giờ +Yêu cầu Bây giờ -
Sản phẩm Danh sách
- Trang chủ -> Sản phẩm -> Chuyển đổi nổi cáp : FS Series
- Trang chủ -> Sản phẩm -> Cáp Float Level Switch : DF Series
- Trang chủ -> Sản phẩm -> Thép không gỉ nổi Chuyển : D-HYZ-47
- Trang chủ -> Sản phẩm -> Thiết bị chuyển mạch phao thép không gỉ : D-HYZS-47
- Trang chủ -> Sản phẩm -> Thống chuyển đổi mức độ nổi : D-HYZT-47
- Trang chủ -> Sản phẩm -> Thống nổi tắc Cấp : D-LS-85
- Trang chủ -> Sản phẩm -> Nổi Level Switch : D-YZ-5
- Trang chủ -> Sản phẩm -> Nổi tắc Cấp : D-S1A28
- Trang chủ -> Sản phẩm -> Nổi Loại Level Switch : D-S2A28
- Trang chủ -> Sản phẩm -> Nổi tắc Cấp Loại : D-YZP-38
- Trang chủ -> Sản phẩm -> Nổi Level Switch : D-YZP-86
- Trang chủ -> Sản phẩm -> Chuyển nổi nhỏ : D-YZP-95
- Trang chủ -> Sản phẩm -> Bóng nổi Van : PFV-100
- Trang chủ -> Sản phẩm -> Van phao nhựa : PFV-200
- Trang chủ -> Sản phẩm -> Cơ Van phao : Mechanical Float Valve
- Trang chủ -> Sản phẩm -> Van phao nước : DFV-06S
- Trang chủ -> Sản phẩm -> Cấp nước nổi Van : DFV-06L
Chuyên môn của chúng tôi đã cho phép chúng tôi để đảm bảo tốt nhất
















