.ونحن على التقنية Taiwan تعويم مفاتيح المستوى الصانع والمصنع والمورد والمصدر. اعتمادا على استثمار مستقرة ، والكفاءة العالية وجيدة بعد- خدمة بيع وحققنا لنا باعتبارها واحدة من أبرز مصنعي ومصدري في الصناعة. نحن نعد منتجات ذات جودة عالية وأسعار تنافسية ، وعلى- التسليم في الوقت المحدد لك. لقد تم تأسيس الطويل- مدة العمل مع عملائنا. إذا كنت مهتما في أي نموذج من منتجاتنا ، يرجى أن يكون حرا في اتصل بنا.

تعويم مفاتيح المستوى

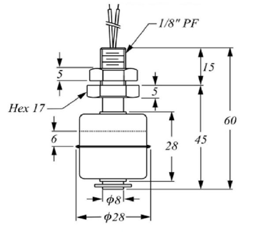
1.تحويل التيار:70W
2.Vlots التحول:240VAC/200VDC
3.التحول الحالي:0.7أمبير
4.ماكس.الضغط:10 كجم/cm²
5.تطفو S.G: 0.75 g/cm³
6.متوسط درجة الحرارة:-20~120°C
7.تطفو الحجم: Ø28 × 28 ר8 ملم
8.مادة:SUS304 أو SUS316L
9.اتصال الموضوع: 1/8 "PF (حسب الطلب)
10.شنت العمودي
ميزة:
1.خفيفة الوزن، ومبدأ العمل هو بسيطة وموثوق بها وغير مكلفة
2.توفير PP، PVDF، والنايلون، والمواد البلاستيكية الأخرى يمكن أن يكون حمض
3.سلك مع سلك أو كابل، ومواد PVC، XLPE، السليكوون
4.ويمكن أيضا أن تكون مخصصة مواصفات خاصة، حجم صغير وبسيط من حيث المبدأ، ومناسبة لأغراض الشرب، آلات الغذاء، آلة الهواء الهيدروليكية، والالكترونيات، والطباعة وصناعة الصباغة
عمودي تعويم الفولاذ المقاوم للصدأ مفتاح تحكم مستوى السائل هو هيكل بسيط، سهلة التركيب من وحدة تحكم مستوى.ليست معقدة في دائرة تكنولوجيا المعلومات، لن تكون منزعجة، طالما أن اختيار المواد الصحيحة، في أي بيئة، السائل، الضغط أو درجة الحرارة يمكن استخدامها.
يرجى اتباع درجة الحرارة قياس الجسم والضغط والجاذبية، وحمض وغيرها من الخصائص.
1.درجة الحرارة:PVDF أقصى درجة حرارة 100℃، PP تصل إلى 80℃، SUS304/316 حتى 125℃.
2.التصاق:الكرة ينبغي أن تستخدم في نسبة كبيرة من تعويم الصغيرة للتغلب على التوتر السطحي للسائل.
3.المقاومة:مادة بلاستيكية مناسبة للحمض-مواقع القاعدة، ما إذا كان ينبغي اختيار درجة الحرارة النظر PVDF.
4.نفط:ينبغي استخدام المواد المعدنية.
5.الثقل النوعي:تطفو خطورة SG يجب أن يكون أقل من السائل قياس أو سوف تطفو لا تطفو فوق.
الاستفسار الآن +الاستفسار الآن -
المنتجات قائمة
- نزل -> المنتجات -> كابل التبديل تعويم : FS Series
- نزل -> المنتجات -> كابل المستوى تعويم التبديل : DF Series
- نزل -> المنتجات -> الفولاذ المقاوم للصدأ تعويم التبديل : D-HYZ-47
- نزل -> المنتجات -> الفولاذ المقاوم للصدأ مفاتيح التبديل ذات العوامة : D-HYZS-47
- نزل -> المنتجات -> تعويم التبديل البسيطة مستوى : D-HYZT-47
- نزل -> المنتجات -> مصغرة مفاتيح مستوى تعويم : D-LS-85
- نزل -> المنتجات -> تعويم المستوى التبديل : D-YZ-5
- نزل -> المنتجات -> تعويم مفاتيح المستوى : D-S1A28
- نزل -> المنتجات -> تطفو نوع التبديل مستوى : D-S2A28
- نزل -> المنتجات -> تطفو مفاتيح مستوى النوع : D-YZP-38
- نزل -> المنتجات -> العائمة تبديل المستوى : D-YZP-86
- نزل -> المنتجات -> التبديل تعويم الصغيرة : D-YZP-95
- نزل -> المنتجات -> الكرة صمام تعويم : PFV-100
- نزل -> المنتجات -> البلاستيك صمام تعويم : PFV-200
- نزل -> المنتجات -> الميكانيكية صمام تعويم : Mechanical Float Valve
- نزل -> المنتجات -> المياه صمام تعويم : DFV-06S
- نزل -> المنتجات -> مستوى المياه صمام تعويم : DFV-06L
خبرتنا وتمكننا من ضمان أفضل
















