DiWi Enterprise Co.,Ltd एक तकनीकी Taiwan स्तर स्विच फ्लोट निर्माता, कारखाने, सप्लायर और निर्यातक. 'ग्राहक की संतुष्टि गुणवत्ता और प्रतिबद्धता शामिल है. यह हमेशा हमारे लिए सबसे अच्छा उत्पादों का निर्माण ध्यान केंद्रित किया गया है और उन्हें कार्यक्रम के अनुसार वितरित.हमारे नवीन भावना हमारे प्रतिस्पर्धियों से आगे जाने के लिए सबसे उन्नत परीक्षण सुविधाओं से सुसज्जित सक्षम बनाता है. वैश्विक थोक व्यापारी, वितरकों, खरीददारों, एजेंटों और OEM / ODM स्वागत है से पूछताछ.

स्तर स्विच फ्लोट

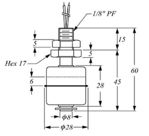
1.पावर स्विचिंग:70W
2.स्विचिंग Vlots:240VAC/200VDC
3.वर्तमान स्विचिंग:0.7एम्प
4.अधिकतम.दबाव:10 किलो/cm²
5.S.G फ्लोट: 0.75 g/cm³
6.तापमान रेंज:-20~120°C
7.साइज फ्लोट: ø28 x 28 xø8 मिमी
8.सामग्री:SUS304 या SUS316L
9.कनेक्शन धागा: 1/8 "पीएफ (अनुकूलित)
10.कार्यक्षेत्र घुड़सवार
फ़ीचर:
1.लाइटवेट, काम सिद्धांत सरल, विश्वसनीय और सस्ती है
2.पीपी, PVDF, नायलॉन, प्लास्टिक और अन्य सामग्री उपलब्ध कराने एसिड हो सकता है
3.तार या केबल के साथ तार, सामग्री परमवीर चक्र, XLPE, PTFE हैं
4.विशेष विशिष्टताओं को भी, छोटे आकार अनुकूलित किया जा सकता है, पीने, भोजन मशीनरी, हवा हाइड्रोलिक मशीन, इलेक्ट्रॉनिक्स, छपाई और रंगाई उद्योग के लिए उपयुक्त, सिद्धांत रूप में सरल
स्तर नियंत्रक के कार्यक्षेत्र स्टेनलेस स्टील फ्लोट स्विच तरल स्तर नियंत्रण एक सरल संरचना है, आसान स्थापना.यह किसी भी वातावरण में, तरल, दबाव या तापमान में इस्तेमाल किया जा सकता है, जब तक सामग्री का चयन सही है, के रूप में परेशान नहीं किया जाएगा, सर्किट जटिल नहीं है.
मापा वस्तु तापमान, दबाव, गुरुत्वाकर्षण, एसिड और अन्य विशेषताओं का पालन करें.
1.तापमान:100 की PVDF अधिकतम तापमान℃, 80 से पीपी ऊपर℃, SUS304/125-316 ऊपर℃.
2.आसंजन:गेंद तरल की सतह के तनाव को दूर करने के लिए छोटी नाव का एक बड़ा अनुपात में इस्तेमाल किया जाना चाहिए.
3.प्रतिरोध:एसिड के लिए उपयुक्त प्लास्टिक सामग्री-तापमान चुना जाना चाहिए अगर आधार साइटों, PVDF पर विचार.
4.तेल:चाहिए धातु सामग्री का उपयोग.
5.विशिष्ट घनत्व:एसजी मापा तरल से भी कम या नाव नाव नहीं होगा होना चाहिए गुरुत्वाकर्षण तैरने लगते हैं.
अब पूछताछ +अब पूछताछ -
उत्पादों सूची
- घर -> उत्पादों -> केबल फ्लोट स्विच : FS Series
- घर -> उत्पादों -> केबल फ्लोट स्तर स्विच : DF Series
- घर -> उत्पादों -> स्टेनलेस स्टील फ्लोट स्विच : D-HYZ-47
- घर -> उत्पादों -> स्टेनलेस स्टील फ्लोट स्विच : D-HYZS-47
- घर -> उत्पादों -> मिनी फ्लोट स्तर स्विच : D-HYZT-47
- घर -> उत्पादों -> मिनी फ्लोट स्तर स्विच : D-LS-85
- घर -> उत्पादों -> स्तर स्विच फ्लोट : D-YZ-5
- घर -> उत्पादों -> स्तर स्विच फ्लोट : D-S1A28
- घर -> उत्पादों -> टाइप स्तर स्विच फ्लोट : D-S2A28
- घर -> उत्पादों -> टाइप स्तर स्विच फ्लोट : D-YZP-38
- घर -> उत्पादों -> फ्लोटिंग स्तर स्विच : D-YZP-86
- घर -> उत्पादों -> लघु फ्लोट स्विच : D-YZP-95
- घर -> उत्पादों -> गेंद फ्लोट वाल्व : PFV-100
- घर -> उत्पादों -> प्लास्टिक फ्लोट वाल्व : PFV-200
- घर -> उत्पादों -> मैकेनिकल फ्लोट वाल्व : Mechanical Float Valve
- घर -> उत्पादों -> जल फ्लोट वाल्व : DFV-06S
- घर -> उत्पादों -> जल स्तर फ्लोट वाल्व : DFV-06L
हमारी विशेषज्ञता ने हमें उच्च स्तर को सुनिश्चित करने के लिए सक्षम
















