
Su Seviyesi Sensörü

Özellikler:
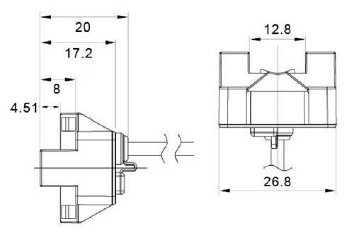
1.Algılama mesafesi: 6~13mm, Boru kalınlığı 1mm.Boru malzemesi:PEP, PFA.
2.Çalışma Gerilimi:12~24VDC (±% 10.)5%(p-p) maks.dalgalanma
3.Tepki frekansı:600 Hz
4.Yük akımı:DC 30V 200mA Max.
5.Çıkış göstergesi:LED
6.Tüketim akımı:80mA Max.
7.Koruma Sınıfı:IP65
8.Çalışma Sıcaklığı.:-10~55℃
9.Gövde malzemesi:Polikarbonat
10.Bağlantı kablo uzunluğu:1M
Özellik:
1.Sıvı seviyeleri tespit için ideal
2.Her 6 için uygun-13-mm-çapında şeffaf boru
3.1 mm'lik bir maksimum duvar kalınlığı için uygun
4.1224 VDC besleme gerilimi için
5.Kravat Kolay kurulum-şal ve kauçuk tüp
6.IP65 koruma sınıfı için
Inşa edilmiş bir duyarlılık seçici, birleştirir-amplifikatör ve çalışma modu seçici.Kravat-şal ve kauçuk tüp kaymasını önlemek için sağlanan.Her 6 için uygun-13-mm çapında saydam veya yarı-1 mm et kalınlığında şeffaf boru.Yapılı-NPN çıkışı ile amplifikatör yer ve kablolama emek tasarrufu.Kompakt boyutu ekipman minyatür için idealdir.Bir talk kullanır-ekipmanları için idealdir ücretsiz kablo üretimi için kullanılan
yarı iletkenler
Sıvı, plastik, silikon çip, toz Algılama...vb...Algılanan mesafe elektrikli iyon (elektrik iletken katsayısı veya olmayan elektrik iletken katsayısı), nem içeriği, nesnenin hacmi gibi faktörlerin özelliği ile yakından birlikte çeşitli.Bu buna göre algılama mesafesi etkileyecektir.
- Ev -> Ürünler -> Kapasitif Anahtarı : DIM-3016 / 3025
- Ev -> Ürünler -> Sıvı Seviye Sensörü : DCP-13
- Ev -> Ürünler -> Kapasitif Proximity Anahtarları : DIM-5502
- Ev -> Ürünler -> Kapasitif Proximity Sensör : DIM-07
- Ev -> Ürünler -> Su Seviyesi Sensörü : P100
- Ev -> Ürünler -> Su Kaçak Sensörü : EX-100
















