
Sensore di livello dell'acqua

Specificazioni:
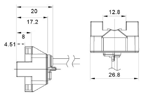
1.Distanza di rilevamento: 6~13mm, tubo di spessore 1mm.Materiale del tubo:PEP, PFA.
2.Tensione di funzionamento:12~24VDC (±10%),5%(p-p) max.incresparsi
3.Frequenza di risposta:600 Hz
4.Corrente di carico:DC 30V 200mA max.
5.Spia di uscita:LED
6.Consumo di corrente:80mA max.
7.Classe di protezione:IP65
8.Temp di funzionamento.:-10~55℃
9.Materiale della custodia:Policarbonato
10.Lunghezza del cavo di collegamento:1M
Caratteristica:
1.Ideale per il rilevamento di livelli di liquidi
2.Adatto per ogni 6-a 13-mm-diametro del tubo trasparente
3.Adeguato spessore massimo di 1 mm
4.12per tensione di alimentazione 24 V DC
5.Facile da installare cravatta-avvolgere e tubo di gomma
6.IP65 Grado di protezione
Incorpora un selettore di sensibilità, costruito-amplificatore, e selettore del modo di funzionamento.Tie-avvolgere e tubo di gomma forniti per evitare lo slittamento.Adatto per ogni 6-a 13-mm di diametro trasparente o semi-tubo trasparente con uno spessore della parete di 1 mm.Costruito-amplificatore con uscita NPN consente di risparmiare spazio e cablaggio sforzo.Il formato compatto è ideale per la miniaturizzazione delle apparecchiature.Utilizza un talco-cavo libero che è ideale per le apparecchiature utilizzate per la produzione di
semiconduttori
Rileva liquido, plastica, chip di silicone, polvere...ecc...La distanza rilevata variato lungo strettamente con la proprietà di fattori come ione elettrico (coefficiente conduttivo o non conduttivo coefficiente elettrico), contenuto di umidità, il volume dell'oggetto.Questi influenzeranno la distanza di rilevazione di conseguenza.
- Casa -> Prodotti -> Interruttore di prossimità capacitivo : DIM-3016 / 3025
- Casa -> Prodotti -> Sensore di livello del liquido : DCP-13
- Casa -> Prodotti -> Interruttori di prossimità capacitivi : DIM-5502
- Casa -> Prodotti -> Sensore di prossimità capacitivo : DIM-07
- Casa -> Prodotti -> Sensore di livello dell'acqua : P100
- Casa -> Prodotti -> Sensore della perdita dell'acqua : EX-100
















