.ونحن على التقنية Taiwan قياس الضغط الرقمية الصانع والمصنع والمورد والمصدر. اعتمادا على استثمار مستقرة ، والكفاءة العالية وجيدة بعد- خدمة بيع وحققنا لنا باعتبارها واحدة من أبرز مصنعي ومصدري في الصناعة. نحن نعد منتجات ذات جودة عالية وأسعار تنافسية ، وعلى- التسليم في الوقت المحدد لك. لقد تم تأسيس الطويل- مدة العمل مع عملائنا. إذا كنت مهتما في أي نموذج من منتجاتنا ، يرجى أن يكون حرا في اتصل بنا.

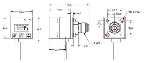
قياس الضغط الرقمية


تطبيقات:
1.التحكم في العمليات
2.الهيدروليكية والهوائية
3.ضاغط التحكم
4.المبردات
5.معدات التبريد
ميزة:
1.العرض الرقمي
2.100٪ قابل للتعديل نقطة التحديد وdeadband
3.كل تصميم الحالة الصلبة
4.4-20 مللي أمبير نماذج الانتاج المتوفرة
5.يلتقط ويعرض MAX/MIN النقيضين عملية
6.يخزن بشكل مستمر مرحبا/النقيضين LO
الاستفسار الآن +الاستفسار الآن -
المنتجات قائمة
- نزل -> المنتجات -> الغاطسة الضغط الاستشعار : DW-Y02
- نزل -> المنتجات -> الارسال الضغط : GP41/40
- نزل -> المنتجات -> مرسلات الضغط : DP-500
- نزل -> المنتجات -> تبديل الضغط الرقمي : DP42
- نزل -> المنتجات -> قياس الضغط الرقمية : MS-SA/SB
خبرتنا وتمكننا من ضمان أفضل
















