DiWi Enterprise Co.,Ltd specializza nella fabbricazione, fornente ed esportante alla Manometro Digitale, una fabbrica in Taiwan.È stato sempre il nostro fuoco per fabbricare la prodotti superiore di fonte di aria e per trasportarlo secondo programma.Il nostro spirito innovatore ci permette di andare davanti ai nostri competitori dotati delle facilità di prova più avanzate della prodotti.Le inchieste dai grossisti, dai distributori, dai compratori, dagli agenti e dalla prodotti OEM/ODM sono accolte favorevolmente.

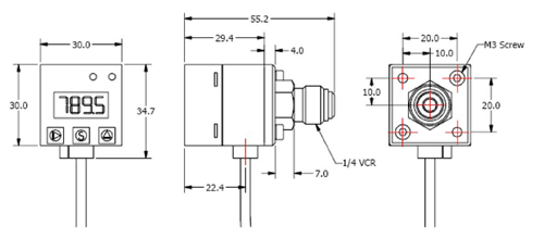
Manometro Digitale


Applicazioni:
1.Controllo di processo
2.Idraulica e pneumatica
3.Compressore di controllo
4.Refrigeratori
5.Attrezzatura di refrigerazione
Caratteristica:
1.Display digitale
2.100% Set point e banda morta regolabile
3.Tutto il design a stato solido
4.4-20 modelli di uscita mA disponibili
5.Acquisisce e visualizza MAX/Estremi di processo MIN
6.Memorizza continuamente HI/Estremi LO
Inchiesta ora +Inchiesta ora -
Prodotti lista
- Casa -> Prodotti -> Sommergibile Sensore di pressione : DW-Y02
- Casa -> Prodotti -> Trasmettitore di pressione : GP41/40
- Casa -> Prodotti -> Trasmettitori di pressione : DP-500
- Casa -> Prodotti -> Pressostato digitale : DP42
- Casa -> Prodotti -> Manometro Digitale : MS-SA/SB
La nostra perizia ha permetterci di accertare la
















