เราเป็นทางด้านเทคนิค Taiwan เครื่องวัดความดันดิจิตอล ผู้ผลิตโรงงานผู้ผลิตและส่งออก ทั้งนี้ขึ้นอยู่กับการลงทุนที่มั่นคงความสามารถที่เหนือกว่าและบริการหลังการขายที่ดีเราได้ทำให้เราเป็นหนึ่งในผู้ผลิตชั้นนำและส่งออกในอุตสาหกรรม เราสัญญาว่าผลิตภัณฑ์ที่มีคุณภาพและราคาที่แข่งขันและการส่งมอบตรงเวลาสำหรับคุณ เราได้รับการจัดตั้งธุรกิจในระยะยาวกับลูกค้าของเรา หากคุณสนใจในรูปแบบของผลิตภัณฑ์ของเราใด ๆ โปรดเป็นอิสระในการ ติดต่อเรา.

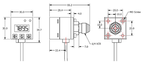
เครื่องวัดความดันดิจิตอล


การประยุกต์ใช้งาน:
1การควบคุมกระบวนการผลิต
2ไฮดรอลิและนิวเมติก
3ควบคุมคอมเพรสเซอร์
4ชิลเลอร์
5เครื่องทำความเย็น
ลักษณะ:
1จอแสดงผลดิจิตอล
2.100จุดชุด% ปรับและ deadband
3การออกแบบรัฐทั้งหมดที่เป็นของแข็ง
4.4-20 mA รูปแบบเอาท์พุทที่มีอยู่
5จับและแสดง MAX/สุดขั้วกระบวนการ MIN
6อย่างต่อเนื่องเก็บฮาวาย/สุดขั้ว LO
สอบถามข้อมูลในตอนนี้ +สอบถามข้อมูลในตอนนี้ -
ผลิตภัณฑ์ รายการ
- บ้าน -> ผลิตภัณฑ์ -> เซ็นเซอร์ความดันใต้น้ำ : DW-Y02
- บ้าน -> ผลิตภัณฑ์ -> เครื่องส่งสัญญาณความดัน : GP41/40
- บ้าน -> ผลิตภัณฑ์ -> เครื่องส่งสัญญาณความดัน : DP-500
- บ้าน -> ผลิตภัณฑ์ -> สวิทช์ความดันดิจิตอล : DP42
- บ้าน -> ผลิตภัณฑ์ -> เครื่องวัดความดันดิจิตอล : MS-SA/SB
ความเชี่ยวชาญของเราได้ช่วยให้เราเพื่อให้แน่ใจว่าดีที่สุด
















