
Pemancar Tingkat Cair

Spesifikasi:
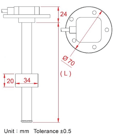
1.Bahan Tubuh:SUS304
2.Sinyal output:Loop daya 4-20mA, 2-kawat
3.Power Supply:24Vdc
4.Perlindungan Peringkat:IP67
5.Panjang Rentang:150mm~3000mm
6.Presisi Rentang:10mm
7.Suhu Operasi:-40~80°C
8.Presisi tinggi, handal, perawatan-bebas, struktur sederhana
Industri
1.Kimia dan Petrokimia
2.Minyak dan Gas
3.Power Plants
4.Air dan Pengolahan Limbah
5.Pulp dan Kertas Pengolahan
6.Pengolahan farmasi
7.Makanan dan Minuman Pengolahan
Aplikasi
1.Boiler
2.Condensators
3.Hidrokarbon dan Separator
4.Gas cair
5.Proses dan tangki penyimpanan
6.Uap retak
Tinggi-sensor level oli presisi adalah kontrol medan magnet penggunaan kontak dalam buluh-off prinsipnya, mengukur perubahan akan diubah menjadi sinyal output, yang mengukur tingkat minyak (level) tinggi.
Tingkat pemancar magnetik dapat diterapkan untuk industri kimia, tenaga listrik, pembuatan kertas, bahan makanan, perlindungan lingkungan dan konstruksi dll perkotaan, dan digunakan untuk pengukuran tingkat pengolahan limbah, tanah kontainer minyak dan tangki air yang tinggi.Dengan dua-kawat 4-20mA standar sinyal.
- rumah -> produk -> Magnetic Lampung Tingkat Transmitter : FC Series
- rumah -> produk -> Submersible Pressure Transmitter : DW-Y51/52
- rumah -> produk -> Tingkat Transmitter kontinyu : PX Series
- rumah -> produk -> Tingkat Transmitter : YJT-300
- rumah -> produk -> Pemancar Tingkat Cair : FLS Series
















