
Датчики уровня жидкости Мембранный

Технические условия:
1.Материал корпуса:SUS304
2.Выходной сигнал:Питание от контура 4-20 мА, 2-проволока
3.Питание:24 В постоянного тока
4.Защита ранг:IP67
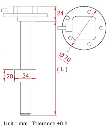
5.Длина Диапазон:150мм~3000мм
6.Прецизионного диапазона:10мм
7.Рабочая температура:-40~80°C
8.Высокая точность, надежность, техническое обслуживание-бесплатно, просто структура
Industries
1.Химическая и нефтехимическая
2.Нефть и газ
3.Электростанции
4.Вода и обращения с отходами
5.Обработка целлюлозы и бумаги
6.Фармацевтической промышленности
7.Продуктов питания и напитков
Применения
1.Котлы
2.Конденсаторы
3.Углеводороды и сепараторы
4.Сжиженный газ
5.Процесс и резервуаров
6.Парового крекинга
Высокий-точность датчика уровня масла является магнитное поле управления использованием контактов в Рид-от принципа измерения изменения будут преобразованы в выходные сигналы, которые измеряют уровень масла (уровень) высоте.
Магнитный датчик уровня может быть применен к химической промышленности, электроэнергетики, бумажной, пищевой, охраны окружающей среды и городского строительства и т.д., и используются для измерения уровня сточных вод, контейнерную площадку нефть и высокой воды.С двумя-провод 4-Стандартный сигнал 20мА.
- Главная страница -> Продукция -> Магнитный датчик уровня Float : FC Series
- Главная страница -> Продукция -> Погружные датчики давления : DW-Y51/52
- Главная страница -> Продукция -> Непрерывный датчик уровня : PX Series
- Главная страница -> Продукция -> Датчик уровня : YJT-300
- Главная страница -> Продукция -> Датчики уровня жидкости Мембранный : FLS Series
















