
เครื่องส่งสัญญาณระดับของเหลว

ข้อมูลจำเพาะ:
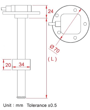
1วัสดุของตัวเครื่อง:SUS304
2สัญญาณเอาท์พุท:4 ห่วงอำนาจ-20mA, 2-ลวด
3เพาเวอร์ซัพพลาย:24Vdc
4อันดับคุ้มครอง:IP67
5ช่วงระยะเวลา:150mm~3000mm
6ช่วงที่มีความแม่นยำ:10mm
7อุณหภูมิในการดำเนินงาน:-40~80°C
8ความแม่นยำสูง, การบำรุงรักษาที่เชื่อถือได้-ฟรีโครงสร้างง่าย
อุตสาหกรรม
1เคมีและปิโตรเคมี
2น้ำมันและก๊าซธรรมชาติ
3โรงไฟฟ้า
4น้ำและบำบัดของเสีย
5เยื่อกระดาษและการประมวลผล
6การประมวลผลเภสัชกรรม
7การแปรรูปอาหารและเครื่องดื่ม
การประยุกต์ใช้งาน
1หม้อไอน้ำ
2Condensators
3ไฮโดรคาร์บอนและตัวแยก
4แก๊สหุงต้ม
5รถถังในกระบวนการและการจัดเก็บ
6แตกไอ
สูง-ความแม่นยำในการตรวจวัดระดับน้ำมันคือการควบคุมสนามแม่เหล็กใช้ติดต่อภายในกก-ปิดหลักการวัดการเปลี่ยนแปลงจะถูกแปลงเป็นสัญญาณเอาท์พุทซึ่งวัดระดับน้ำมัน (ระดับ) สูง
เครื่องส่งสัญญาณระดับแม่เหล็กสามารถนำไปใช้ในอุตสาหกรรมเคมี, พลังงานไฟฟ้าทำให้กระดาษ, อาหาร, การคุ้มครองสิ่งแวดล้อมและอื่น ๆ การก่อสร้างเมืองและใช้สำหรับการตรวจวัดระดับของการบำบัดน้ำเสีย, ภาชนะบรรจุน้ำมันภาคพื้นดินและถังน้ำสูง.กับสอง-4 สาย-20mA สัญญาณมาตรฐาน
- บ้าน -> ผลิตภัณฑ์ -> ลอยส่งสัญญาณแม่เหล็กระดับ : FC Series
- บ้าน -> ผลิตภัณฑ์ -> เครื่องส่งสัญญาณความดันใต้น้ำ : DW-Y51/52
- บ้าน -> ผลิตภัณฑ์ -> เครื่องส่งสัญญาณระดับอย่างต่อเนื่อง : PX Series
- บ้าน -> ผลิตภัณฑ์ -> เครื่องส่งสัญญาณระดับ : YJT-300
- บ้าน -> ผลิตภัณฑ์ -> เครื่องส่งสัญญาณระดับของเหลว : FLS Series
















