
Sıvı Seviye Vericiler

Özellikler:
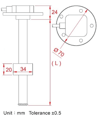
1.Gövde Malzemesi:SUS304
2.Çıkış sinyali:Loop gücü 4-20mA, 2-tel
3.Güç Kaynağı:24Vdc
4.Koruma Rank:IP67
5.Uzunluk Aralığı:150mm~3000mm
6.Hassas Aralığı:10mm
7.Çalışma Sıcaklığı:-40~80°C
8.Yüksek hassasiyetli, güvenilir, bakım-ücretsiz, basit yapısı
Sanayi
1.Kimya ve Petrokimya
2.Petrol ve Gaz
3.Enerji Santralleri
4.Su ve Atık Arıtma
5.Selüloz ve Kağıt İşleme
6.Ilaç işleme
7.Gıda ve İçecek İşleme
Uygulamalar
1.Kazanlar
2.Kondansatörler
3.Hidrokarbonlar ve Ayırıcı
4.Sıvı gaz
5.Süreci ve depolama tankları
6.Buhar çatlama
Yüksek-hassas yağ seviye sensörü bir manyetik alan kontrolü kamış içinde rehber kullanımı-ilke kapalı, değişiklikler yüksekliği yağ seviyesi (seviye) ölçmek çıkış sinyalleri, çevrilecektir ölçmek.
Manyetik seviye vericisi kimya sanayi, elektrik, kağıt yapımı, gıda, çevre koruma ve kentsel yapı vb uygulanan ve atık su arıtma düzeyi ölçümü, zemin yağ konteyner ve yüksek su tankı için kullanılabilir.Iki-tel 4-20mA standart sinyal.
- Ev -> Ürünler -> Manyetik Float Seviye Transmitter : FC Series
- Ev -> Ürünler -> Dalgıç Basınç Transmitter : DW-Y51/52
- Ev -> Ürünler -> Sürekli Seviye Verici : PX Series
- Ev -> Ürünler -> Seviye Transmitter : YJT-300
- Ev -> Ürünler -> Sıvı Seviye Vericiler : FLS Series
















