
بالسعة القرب الاستشعار

مواصفات:
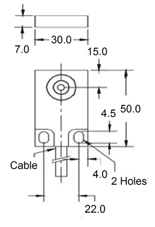
1.الاستشعار عن بعد:2~6MM أو 2~10MM
2.الجهد التشغيل:DC 10~30V،تموج≦ 10٪
3.تردد التبديل:50HZ 25HZ
4.التشغيل الحالية:100MA
5.مؤشر الانتاج:أصفر، LED
6.حماية ماس كهربائى:نبضي
7.فئة الحماية:IEC IP6 7
8.درجة الحرارة العملية.:-20~70℃
9.المادة السكن:PBT
10.توصيل كابل أيون:2M
11.إنتاج:PNP NPN أو
ميزة:
1.الإسكان مستطيلة
2.التي تعمل عن بعد يصل إلى 25 ملم
3.ارتفاع الحصانة الكهرومغناطيسي
4.IP 67 تصنيف الضميمة
5.وظيفة الانتاج التكميلية
6.مؤشر حالة الصمام
7.قصير-عكس الدائرة القطبية والطاقة-حتى نبض حماية قمع
8.هي PNP NPN أو الإصدارات الانتاج المتاحة
المستطيل بالسعة القرب الاستشعار دائم الإسكان يقاوم التطبيقات الصناعية القاسية، والحد من تكاليف الصيانة والتوقف.التكيف السريع والسهل من نقطة التحول يحفظ التثبيت والإعداد الوقت.مرونة التطبيق-يحل تطبيقات حيث تكنولوجيات الاستشعار الأخرى التي لا يمكن أن توفر حلا.صدمة عالية ومقاومة الاهتزاز يزيد الحياة استشعار ويقلل من تكاليف الصيانة.غير-الاتصال قياس مستوى، حتى من خلال الحاوية أو خزان الجدران، الذي يلغي حفر ثقوب وبالتالي يقلل من وقت التركيب.تكون قادرة على الكشف عن مواد مختلفة مثل المعادن والبلاستيك والسائلة وغيرها.يمكن استخدامها على نطاق واسع في غير-الصناعات المعدنية مثل التعبئة والتغليف والبلاستيك والمنتجات الورقية وغيرها.
- نزل -> المنتجات -> بالسعة تحويل القرب : DIM-3016 / 3025
- نزل -> المنتجات -> مستوى السائل الاستشعار : DCP-13
- نزل -> المنتجات -> مفاتيح القرب بالسعة : DIM-5502
- نزل -> المنتجات -> بالسعة القرب الاستشعار : DIM-07
- نزل -> المنتجات -> مستوى المياه الاستشعار : P100
- نزل -> المنتجات -> تسرب المياه الاستشعار : EX-100
















