
Capacitive প্রক্সিমিটি সেন্সর

বিশেষ উল্লেখ:
1.দূরত্ব সেনসিং:2~6mm বা 2~10mm
2.অপারেটিং ভোল্টেজ:ডিসি 10~30V,লহরী≦10%
3.ফ্রিকোয়েন্সি স্যুইচিং:50Hz 25Hz
4.বর্তমান অপারেটিং:100mA
5.আউটপুট সূচক:হলুদ, নেতৃত্বাধীন
6.শর্ট সার্কিট সুরক্ষা:pulsing
7.সুরক্ষা বর্গ:আইইসি IP6 7
8.অপারেশন টেম্প.:-20~70℃
9.আবাসন উপাদান:PBT
10.আয়ন তারের সাথে সংযোগ স্থাপন করুন:2M
11.উত্পাদন:PNP বা NPN
বৈশিষ্ট্য:
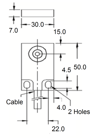
1.আয়তক্ষেত্রাকার হাউজিং
2.25 মিমি দূরত্ব আপ অপারেটিং
3.উচ্চ ইলেক্ট্রোম্যাগনেটিক অনাক্রম্যতা
4.আইপি 67 ঘের নির্ধারণ
5.পরিপূরক আউটপুট ফাংশন
6.LED অবস্থা সূচক
7.সংক্ষিপ্ত-সার্কিট বিপরীত প্রান্তিকতা ও শক্তি-পালস দমন সুরক্ষা আপ
8.PNP বা NPN আউটপুট সংস্করণ উপলব্ধ আছে
আয়তক্ষেত্র capacitive প্রক্সিমিটি সেন্সর টেকসই আবাসন রক্ষণাবেক্ষণ খরচ এবং ডাউনটাইম হ্রাস কঠোর শিল্প অ্যাপ্লিকেশন সবকিছুই সহ্য করতে পারে.সুইচিং পয়েন্টের দ্রুত এবং সহজ সমন্বয় ইনস্টলেশন এবং সেটআপ সময় সঞ্চয়.আবেদন নমনীয়তা-অন্যান্য সেন্সিং প্রযুক্তির একটি সমাধান প্রদান করতে পারেন না যেখানে অ্যাপ্লিকেশন solves.উচ্চ শক এবং কম্পন সহ্য করার ক্ষমতা সেন্সর জীবন বৃদ্ধি এবং রক্ষণাবেক্ষণ খরচ হ্রাস করা.অ-এমনকি তুরপুন গর্ত ঘটিয়েছে যা ধারক বা ট্যাংক দেয়াল, মাধ্যমে, লেভেল পরিমাপ সঙ্গে যোগাযোগ করুন এবং এইভাবে ইনস্টলেশনের সময় হ্রাস করা.ধাতু, প্লাস্টিক, তরল এবং ইত্যাদি বিভিন্ন পদার্থ সনাক্ত করতে সক্ষম হবে.ব্যাপকভাবে অ ব্যবহার করা-প্যাকেজিং, প্লাস্টিক, কাগজ পণ্য এবং ইত্যাদি ধাতু প্রক্রিয়াজাতকরণ শিল্প
- বাসা -> পণ্য -> Capacitive প্রক্সিমিটি স্যুইচ করুন : DIM-3016 / 3025
- বাসা -> পণ্য -> তরল শ্রেনী সেন্সর : DCP-13
- বাসা -> পণ্য -> Capacitive প্রক্সিমিটি সুইচ : DIM-5502
- বাসা -> পণ্য -> Capacitive প্রক্সিমিটি সেন্সর : DIM-07
- বাসা -> পণ্য -> জলের স্তর সেন্সর : P100
- বাসা -> পণ্য -> পানি লিক সেন্সর : EX-100
















