
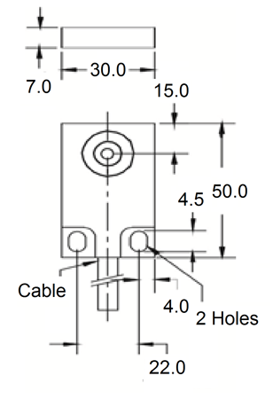
Sensore di prossimità capacitivo

Specificazioni:
1.Distanza di rilevamento:2~6 mm o 2~10 millimetri
2.Tensione di esercizio:DC 10~30V,incresparsi≦10%
3.Frequenza di commutazione:50Hz 25Hz
4.Corrente di funzionamento:100mA
5.Spia di uscita:Giallo, LED
6.Protezione da corto circuito:pulsare
7.Classe di protezione:IEC IP6 7
8.Temp di funzionamento.:-20~70℃
9.Materiale della custodia:PBT
10.Collegare il cavo di ioni:2M
11.Produzione:PNP o NPN
Caratteristica:
1.Alloggiamento rettangolare
2.Distanza di funzionamento fino a 25 mm
3.Elevata immunità elettromagnetica
4.IP 67 Grado di protezione
5.Funzione di uscita complementare
6.Indicatore di stato a LED
7.Piccolo-circuito di inversione di polarità e il potere-up protezione soppressione degli impulsi
8.Versioni con uscita PNP o NPN sono disponibili
Rettangolo capacitivo Sensore di prossimità alloggiamento durevole resiste applicazioni industriali difficili, riducendo i costi di manutenzione ei tempi di fermo.Regolazione rapida e facile del punto di commutazione consente di risparmiare tempo di installazione e configurazione.Flessibilità di applicazione-risolve le applicazioni dove altre tecnologie di rilevamento non può fornire una soluzione.Alta resistenza agli urti e alle vibrazioni aumenta la vita del sensore e riduce i costi di manutenzione.Non-contattare la misura di livello, anche attraverso il contenitore o serbatoio di pareti, che elimina i fori di perforazione e riduce così i tempi di installazione.Essere in grado di rilevare diverse sostanze come metallo, plastica, liquido ed ecc.Essere ampiamente usato in non-industrie di trasformazione dei metalli come l'imballaggio, plastica, carta e prodotti ecc
- Casa -> Prodotti -> Interruttore di prossimità capacitivo : DIM-3016 / 3025
- Casa -> Prodotti -> Sensore di livello del liquido : DCP-13
- Casa -> Prodotti -> Interruttori di prossimità capacitivi : DIM-5502
- Casa -> Prodotti -> Sensore di prossimità capacitivo : DIM-07
- Casa -> Prodotti -> Sensore di livello dell'acqua : P100
- Casa -> Prodotti -> Sensore della perdita dell'acqua : EX-100
















