
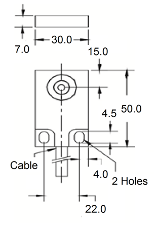
Емкостной датчик приближения

Технические условия:
1.Расстояние срабатывания:2~6 мм или 2~10мм
2.Рабочее напряжение:DC 10~30V,пульсация≦10%
3.Частота переключений:50Hz 25Hz
4.Рабочий ток:100 мА
5.Индикатор выхода:Желтый, LED
6.Защита от короткого замыкания:пульсирующий
7.Класс защиты:IEC IP6 7
8.Рабочая температура.:-20~70℃
9.Материал корпуса:PBT
10.Подключите кабель ионный:2M
11.Выходной:PNP или NPN
Особенность:
1.Прямоугольный корпус
2.Рабочее расстояние до 25 мм
3.Высокая устойчивость электромагнитных
4.IP 67 Класс защиты
5.Дополнительной функцией выхода
6.Светодиодный индикатор состояния
7.Короткий-Схема обратной полярности и власть-защита от подавления импульсов
8.Версий PNP или NPN выход доступны
Прямоугольник Емкостной датчик приближения Прочный корпус предохраняет от жестких промышленных приложений, уменьшая затраты на обслуживание и время простоя.Быстрая и легкая регулировка точки переключения экономит установка и настройка времени.Гибкость применения-решает применения, в которых зондирования не может обеспечить решение.Высокая ударам и вибрации увеличивает срок службы датчика и снижает затраты на обслуживание.Номера-связаться измерения уровня, даже через контейнер или цистерна стен, что исключает сверление отверстий и тем самым сокращает время монтажа.Быть в состоянии обнаружить различные вещества, такие как металл, пластик, жидкие и т.д..Широко используется в не-металлообрабатывающей промышленности, как упаковка, пластик, бумага и т.д.
- Главная страница -> Продукция -> Емкостной датчик приближения : DIM-3016 / 3025
- Главная страница -> Продукция -> Датчик уровня жидкости : DCP-13
- Главная страница -> Продукция -> Емкостной датчик приближения : DIM-5502
- Главная страница -> Продукция -> Емкостной датчик приближения : DIM-07
- Главная страница -> Продукция -> Датчик уровня воды : P100
- Главная страница -> Продукция -> Датчик утечки воды : EX-100
















