
Kapasitif Proximity Sensör

Özellikler:
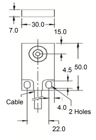
1.Algılama mesafesi:2~6mm veya 2~10mm
2.Çalışma gerilimi:DC 10~30V,dalgalanma≦ % 10.
3.Anahtarlama frekansı:50Hz 25Hz
4.Çalışma akımı:100mA
5.Çıkış göstergesi:Sarı, LED
6.Kısa devre koruması:darbe
7.Koruma Sınıfı:IEC IP6 7
8.Çalışma Sıcaklığı.:-20~70℃
9.Gövde malzemesi:PBT
10.Iyon kablosunu:2M
11.Çıktı:PNP veya NPN
Özellik:
1.Dikdörtgen konut
2.25 mm mesafe kadar işletme
3.Yüksek elektromanyetik bağışıklık
4.IP 67 koruma sınıfına
5.Tamamlayıcı çıkış fonksiyonu
6.LED durum göstergesi
7.Kısa-devresi ters polarite ve güç-darbe bastırma korumayı
8.PNP veya NPN çıkış versiyonları mevcuttur
Dikdörtgen Kapasitif Proximity Sensör Dayanıklı konut bakım maliyetleri ve bekleme süresini azaltacak, zorlu endüstriyel uygulamalar dayanır.Anahtarlama noktasının Hızlı ve kolay ayar kurulum ve kurulum zaman kazandırır.Uygulama esnekliği-Diğer algılama teknolojileri bir çözüm sağlayamaz uygulamaları çözer.Yüksek şok ve titreşim direnci sensör ömrü artırır ve bakım maliyetlerini azaltır.Sigara-hatta delik ortadan kaldırır kap veya tank duvarları, ile, seviye ölçümü temas ve böylece kurulum süresini azaltır.Metal, plastik, sıvı ve vb gibi farklı maddeler tespit edebilmek.Yaygın olmayan kullanılacak-Ambalaj, Plastik, Kağıt Ürünleri ve vb gibi metal işleme sanayi
- Ev -> Ürünler -> Kapasitif Anahtarı : DIM-3016 / 3025
- Ev -> Ürünler -> Sıvı Seviye Sensörü : DCP-13
- Ev -> Ürünler -> Kapasitif Proximity Anahtarları : DIM-5502
- Ev -> Ürünler -> Kapasitif Proximity Sensör : DIM-07
- Ev -> Ürünler -> Su Seviyesi Sensörü : P100
- Ev -> Ürünler -> Su Kaçak Sensörü : EX-100
















