
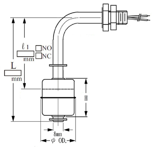
Interruptor de flotador de nivel de líquido

Especificaciones:
1.Voltios de conmutación:250 VAC
2.Corriente de conmutación: 0.7A
3.Contacto:NO/NC
5.Hilo conductor:30 mm de PVC, PVDF
6.Rango de temperatura:120°C SUS
7..Material del cuerpo:SUS304
8.Conexión:Tema 1/8 "PF, 3/8 "PF, M10x15, M10X1.0
9.Flotador Tamaño:28X28X9.5
Interruptores magnéticos de nivel de flotador están disponibles con, hilo, tapón macho de cierre o brida.Estos interruptores pueden montarse con el vástago de hasta un 30°ángulo desde la posición vertical.
Utilice estos interruptores si es necesario variar el nivel de detección en el tiempo o el deseo de mantener el nivel de un líquido a una pulgada o menos.Multi-sensores de nivel también se pueden utilizar para superar los problemas de chapotee.Para obtener más información o ponerse en contacto con nosotros para discutir su aplicación.
Flotador magnético se desplaza hacia arriba y hacia abajo del tallo entre flotador detiene la actuación o de-accionamiento de un interruptor de láminas de contacto seco encapsulado en el interior del tallo.Cuando el campo magnético viene en estrecha proximidad con el interruptor de láminas, el contacto se cierra.Interruptor de funcionamiento se determina en estado seco con la instalación de montaje y el flotador en reposo contra el tope inferior del flotador.
- Inicio -> Productos -> Interruptor de nivel de electrodos : DE Series
- Inicio -> Productos -> Electrodo de Interruptor de nivel : HM Series
- Inicio -> Productos -> Interruptores de nivel de líquido : MF Series
- Inicio -> Productos -> Interruptor de flotador de nivel de líquido : PL
- Inicio -> Productos -> Controles de nivel : PS
- Inicio -> Productos -> Jefe Terminal : Alloy Aluminum
- Inicio -> Productos -> Terminal Heads : Aluminum Alloy D2G4
- Inicio -> Productos -> Cabeza del termopar : SUS316 D2G4
- Inicio -> Productos -> Caja de conexiones : Junction Box- Aluminum Alloy EX-proof
















