
तरल स्तर फ्लोट स्विच

निर्दिष्टीकरण:
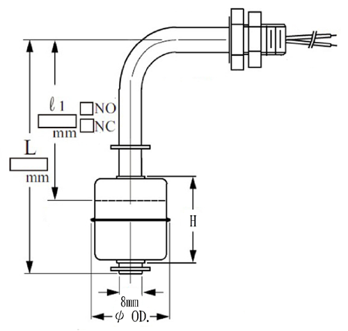
1.स्विचिंग वोल्ट:VAC 250
2.वर्तमान स्विचिंग: 0.7A
3.संपर्क:नहीं/नेकां
5.वायर लीड:30mm पीवीसी, PVDF
6.तापमान रेंज:120°सी SUS
7..शारीरिक सामग्री:SUS304
8.संबंध:धागा 1/8 "पीएफ, 3/8 "पीएफ, M10X15, M10X1.0
9.साइज फ्लोट:28X28X9.5
चुंबकीय फ्लोट स्तर स्विच दिवार, पुरुष धागा, पुरुष पाइप प्लग या बढ़ते निकला हुआ किनारा के साथ उपलब्ध हैं.इन स्विच एक 30 करने में स्टेम के साथ रखा जा सकता है°ऊर्ध्वाधर स्थिति से कोण.
आप एक इंच के भीतर या तो के लिए एक तरल का स्तर बनाए रखने के लिए समय के साथ पता लगाने के स्तर भिन्न या इच्छा की जरूरत है इन स्विच का उपयोग करें.एकाधिक-स्तर सेंसर भी गंदा मुद्दों पर काबू पाने के लिए इस्तेमाल किया जा सकता है.अधिक जानकारी के लिए या आपके आवेदन पर चर्चा करने के लिए हमसे संपर्क करें.
चुंबकीय नाव actuating या डी बंद हो जाता है नाव के बीच स्टेम नीचे यात्रा और-स्टेम अंदर समझाया एक सूखी संपर्क ईख स्विच actuating.चुंबकीय क्षेत्र ईख स्विच के पास आता है, संपर्क बंद कर देता है.स्विच आपरेशन कम नाव रोक के खिलाफ उठ फिटिंग स्थापना और बाकी पर नाव के साथ एक सूखी हालत में निर्धारित किया जाता है.
- घर -> उत्पादों -> इलेक्ट्रोड स्तर स्विच : DE Series
- घर -> उत्पादों -> इलेक्ट्रोड प्रकार स्तर स्विच : HM Series
- घर -> उत्पादों -> तरल स्तर स्विच : MF Series
- घर -> उत्पादों -> तरल स्तर फ्लोट स्विच : PL
- घर -> उत्पादों -> चुंबकीय स्तर स्विच : PS
- घर -> उत्पादों -> टर्मिनल हेड : Alloy Aluminum
- घर -> उत्पादों -> टर्मिनल प्रमुखों : Aluminum Alloy D2G4
- घर -> उत्पादों -> Thermocouple सिर : SUS316 D2G4
- घर -> उत्पादों -> जंक्शन बौक्स : Junction Box- Aluminum Alloy EX-proof
















