
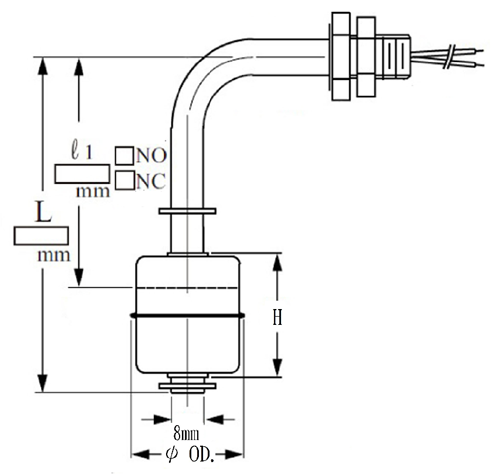
Interruptor de flutuador líquido Nível

Especificações:
1.Comutação Volts:250 VAC
2.Corrente de comutação: 0,7A
3.Contato:NO/NC
5.Fio condutor:30 milímetros de PVC, PVDF
6.Faixa de temperatura:120°C SUS
7..Material do Corpo:SUS304
8.Conexão:Thread 1/8 "PF, 3/8 "PF, M10X15, M10X1.0
9.Flutuar Tamanho:28X28X9,5
Interruptores de nível de flutuação magnéticos estão disponíveis com rosca, ligue antepara, masculino masculino tubo ou flange.Estes interruptores podem ser montados com a haste de até 30 um°ângulo a partir da posição vertical.
Use essas opções se você precisa variar o nível de detecção ao longo do tempo ou o desejo de manter o nível de um líquido dentro de uma polegada ou assim.Multi-sensores de nível pode também ser utilizado para superar os problemas Slosh.Para mais informações ou entre em contato conosco para discutir sua aplicação.
Flutuador magnético viaja para cima e para baixo a haste entre flutuador pára de atuação ou de-acionar um contato reed seco encapsulados dentro da haste.Quando o campo magnético vem em estreita proximidade com o interruptor de palheta, o contacto fecha.Operação da chave é determinada em uma condição seca, com a instalação e montagem da bóia em repouso contra o batente flutuador inferior.
- Início -> Produtos -> Troca Nível eletrodo : DE Series
- Início -> Produtos -> Tipo de eletrodo Troca Nível : HM Series
- Início -> Produtos -> Interruptores de nível de líquidos : MF Series
- Início -> Produtos -> Interruptor de flutuador líquido Nível : PL
- Início -> Produtos -> Switches Nível magnéticos : PS
- Início -> Produtos -> Terminal Cabeça : Alloy Aluminum
- Início -> Produtos -> Chefes de terminais : Aluminum Alloy D2G4
- Início -> Produtos -> Cabeça Termopar : SUS316 D2G4
- Início -> Produtos -> Caixa de junção : Junction Box- Aluminum Alloy EX-proof
















