
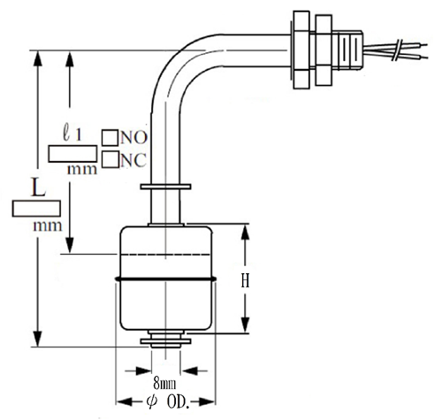
Жидкий поплавковый выключатель

Технические условия:
1.Переключение Вольт:250 В переменного тока
2.Коммутируемый ток: 0,7A
3.Связаться:NO/Северная Каролина
5.Подводящий провод:30мм PVC, PVDF
6.Диапазон температур:120°C SUS
7..Материал корпуса:SUS304
8.Подключение:Резьба 1/8 "PF, 3/8 "PF, M10X15, M10x1,0
9.Размера поплавка:28X28X9,5
Магнитный переключатель поплавка уровня доступны с перегородкой, наружная резьба, вилка трубы или фланцевое крепление.Эти ключи могут быть установлены со штоком со скоростью до 30°угол от вертикального положения.
Используйте эти переключатели, если вам нужно изменить уровень обнаружения в течение долгого времени или желания поддерживать уровень жидкости в пределах дюйма или около того.Много-Датчики уровня также может быть использован, чтобы преодолеть проблемы выплескивание.Для получения дополнительной информации или свяжитесь с нами, чтобы обсудить ваши приложения.
Магнитный поплавок перемещается вверх и вниз по стеблю между поплавок останавливается или исполнительные де-приведения в действие сухого контакта геркона инкапсулированные внутри стебля.Когда магнитное поле происходит в непосредственной близости от геркона, контакты замыкаются.Переключатель операции определяется в сухом состоянии с установкой монтажа и поплавка в покое на нижнюю поплавком.
- Главная страница -> Продукция -> Переключатель датчиком уровня : DE Series
- Главная страница -> Продукция -> Тип электрода сигнализатор уровня : HM Series
- Главная страница -> Продукция -> Датчики уровня жидкости : MF Series
- Главная страница -> Продукция -> Жидкий поплавковый выключатель : PL
- Главная страница -> Продукция -> Магнитные сигнализаторы уровня : PS
- Главная страница -> Продукция -> Терминал руководителя : Alloy Aluminum
- Главная страница -> Продукция -> Терминал глав : Aluminum Alloy D2G4
- Главная страница -> Продукция -> Глава термопары : SUS316 D2G4
- Главная страница -> Продукция -> Распределительная коробка : Junction Box- Aluminum Alloy EX-proof
















