
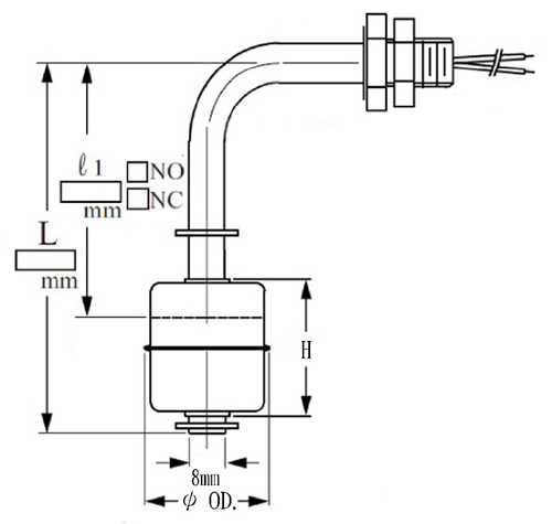
Niveau liquide interrupteur à flotteur

Caractéristiques:
1.Volts de commutation:250 VAC
2.Courant de commutation: 0.7A
3.Contactez:NO/NC
5.Fil conducteur:30mm PVC, PVDF
6.Température:120°C SUS
7..Matériau du corps:SUS304
8.Lien:Thread 1/8 "PF, 3/8 "PF, M10X15, M10X1.0
9.Float Taille:28X28X9.5
Flotteur magnétique commutateurs de niveau sont disponibles avec cloison, filetage mâle, bouchon de tuyau mâle ou bride de fixation.Ces commutateurs peuvent être montés avec la tige jusqu'à une 30°angle de la position verticale.
Utilisez ces commutateurs si vous avez besoin de faire varier le niveau de détection dans le temps ou qui souhaitent maintenir le niveau d'un liquide à l'intérieur d'un pouce ou deux.Multi-capteurs de niveau peuvent également être utilisés pour surmonter les problèmes ballottement.Pour plus d'informations ou contactez-nous pour discuter de votre application.
Flotteur magnétique se déplace de haut en bas de la tige entre flotteur arrête actionnement ou de-actionner un interrupteur reed à contact sec encapsulé à l'intérieur de la tige.Lorsque le champ magnétique est à proximité immédiate de l'interrupteur à lames, le contact se ferme.le fonctionnement de l'interrupteur est déterminée dans un état sec à l'installation et le montage du flotteur au repos contre la butée de flotteur inférieure.
- Maison -> Produits -> Électrode Détecteur de niveau : DE Series
- Maison -> Produits -> Électrode type de commutateur de niveau : HM Series
- Maison -> Produits -> Commutateurs de niveau de liquide : MF Series
- Maison -> Produits -> Niveau liquide interrupteur à flotteur : PL
- Maison -> Produits -> Commutateurs de niveau magnétique : PS
- Maison -> Produits -> Tête de raccordement : Alloy Aluminum
- Maison -> Produits -> têtes terminales : Aluminum Alloy D2G4
- Maison -> Produits -> Chef thermocouple : SUS316 D2G4
- Maison -> Produits -> Boîte de jonction : Junction Box- Aluminum Alloy EX-proof
















