
مجداف مفاتيح تدفق نوع

مواصفات:
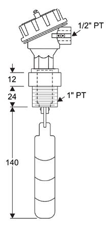
1.الخراطيم:ATEX EX-برهان
2.اتصال الموضوع:1 "PT
3.التحول الحالي:250VAC/DC 60W/VA
4.ماكس.الضغط:25 كجم/cm²
5.اتصل خرج:SPDT
6.متوسط درجة الحرارة:-20~120°C
7.مجداف المواد:SUS301
مفاتيح تدفق مجداف التي هي مناسبة بشكل مثالي في التطبيقات العملية التي تحتاج إلى اتجاه التدفق وتريد مجموعة نقاط يشتغل من أجل السيطرة وديناميات العمليات.هذه تدفق رصد/يتم توفير أية شروط وتدفق في أطوال مختلفة مجداف.تقليم من أطوال مجداف يسهل يشتغل التبديل في معدلات التدفق المطلوبة.تبديل ريد الذي يحصل على دفعتها في حدود مجموعة من الشروط تدفق يمكن استخدامها لتشغيل/إيقاف خطوط تغذية كما تريد بواسطة عملية حيث يتم استخدام رموز التبديل هذه التدفقات.
1.ويعرف أيضا باسم نوع الإدراج التبديل تدفق
2.سهلة التركيب في الأنابيب القائمة
3.1 "معاهدة عدم الانتشار إلى 8 "أحجام الأنابيب معاهدة حظر الانتشار النووي
4.نقطة التحديد قابل للتعديل
5.الفولاذ المقاوم للصدأ وتفلون مبلل قطع غيار
- نزل -> المنتجات -> المراقب تدفق : FC-600
- نزل -> المنتجات -> نواعير تدفق متر : PWFM
- نزل -> المنتجات -> مجداف تبديل تدفق : DFB
- نزل -> المنتجات -> مجداف تدفق تبديل نوع : DFS
- نزل -> المنتجات -> مفاتيح تدفق مجداف : DFA
- نزل -> المنتجات -> مجداف مفاتيح تدفق نوع : DFX
- نزل -> المنتجات -> تدفق متر الرقمية : DFM
- نزل -> المنتجات -> مفاتيح تدفق : FSX
- نزل -> المنتجات -> تحويل تدفق المياه : FSX
- نزل -> المنتجات -> تدفق زجاج البصر : FGA
- نزل -> المنتجات -> تدفق البصر : FGB
















