
Tipo Paddle Interruttori di flusso

Specificazioni:
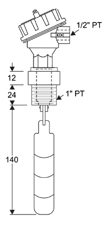
1.Condutture:ATEX EX-Dimostrazione
2.Filettatura raccordo:1 "PT
3.Corrente di commutazione:250 V ca/DC 60W/VA
4.Max.Pressione:25 kg/cm²
5.Contatto di uscita:SPDT
6.Intervallo di temperatura:-20~120°C
7.Paddle Materiale:SUS301
Interruttori di flusso a pale che sono ideali nelle applicazioni di processo in cui sono necessari la direzione del flusso e desiderati attuazione set point per il controllo e la dinamica delle operazioni.Questi Flow Monitor/nessuna condizione di flusso e sono forniti in diverse lunghezze a pale.L'assetto delle lunghezze paddle facilita l'azionamento dell'interruttore a portate desiderati.Il Commutatore che viene comandato con limiti impostati di condizioni di flusso può essere utilizzato per accendere/off linee di alimentazione come desiderato dal processo in cui sono utilizzati tali interruttori di flusso.
1.Anche sapere come inserimento interruttore di flusso tipo
2.Facilità di installazione in tubazioni esistenti
3.1 "npt a 8 dimensioni "NPT
4.Set point regolabile
5.Acciaio inossidabile e teflon parti bagnate
- Casa -> Prodotti -> Regolatore di flusso : FC-600
- Casa -> Prodotti -> Paddle Wheel Flow Meter : PWFM
- Casa -> Prodotti -> Flussostato a paletta : DFB
- Casa -> Prodotti -> Tipo Paddle Flussostato : DFS
- Casa -> Prodotti -> Paddle Interruttori di flusso : DFA
- Casa -> Prodotti -> Tipo Paddle Interruttori di flusso : DFX
- Casa -> Prodotti -> Misuratore di portata digitale : DFM
- Casa -> Prodotti -> Interruttori di flusso : FSX
- Casa -> Prodotti -> Flussostato acqua : FSX
- Casa -> Prodotti -> Flusso di vetro di vista : FGA
- Casa -> Prodotti -> Sight flusso : FGB
















