
चप्पू प्रकार स्विच फ्लो

निर्दिष्टीकरण:
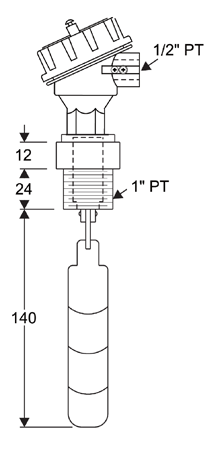
1.Hosing:ATEX के पूर्व-प्रमाण
2.कनेक्शन धागा:1 "पीटी
3.वर्तमान स्विचिंग:250VAC/डीसी 60W/VA
4.अधिकतम.दबाव:25 किलो/cm²
5.आउटपुट संपर्क करें:SPDT
6.तापमान रेंज:-20~120°C
7.चप्पू सामग्री:SUS301
प्रवाह और वांछित प्रवर्तन सेट अंक की दिशा नियंत्रण और संचालन की गतिशीलता के लिए आवश्यक हैं जहां आदर्श आवेदन प्रक्रिया में अनुकूल हैं चप्पू स्विच फ्लो.इन पर नजर रखने के प्रवाह/कोई प्रवाह की स्थिति और विभिन्न चप्पू लंबाई में सप्लाई कर रहे हैं.चप्पू लंबाई ट्रिम वांछित प्रवाह दरों पर स्विच प्रवर्तन की सुविधा.प्रवाह की स्थिति की निर्धारित सीमा पर चालू हो जाता है जो रीड स्विच पर स्विच करने के लिए उपयोग किया जा सकता है/इन प्रवाह स्विच का उपयोग किया जाता है, जहां के रूप में प्रक्रिया द्वारा वांछित फ़ीड लाइनें बंद.
1.इसके अलावा प्रविष्टि प्रकार प्रवाह स्विच के रूप में जानते हैं
2.मौजूदा पाइपिंग में आराम से अधिष्ठापन
3.1 "8 "एनपीटी पाइप आकार के लिए एनपीटी
4.समायोज्य सेट बिंदु
5.स्टेनलेस स्टील और teflon भागों गीला
- घर -> उत्पादों -> प्रवाह नियंत्रक : FC-600
- घर -> उत्पादों -> जहाज़ चलाने का पहिया फ्लो मीटर : PWFM
- घर -> उत्पादों -> चप्पू फ्लो स्विच : DFB
- घर -> उत्पादों -> चप्पू प्रकार फ्लो स्विच : DFS
- घर -> उत्पादों -> चप्पू स्विच फ्लो : DFA
- घर -> उत्पादों -> चप्पू प्रकार स्विच फ्लो : DFX
- घर -> उत्पादों -> डिजिटल फ्लो मीटर : DFM
- घर -> उत्पादों -> स्विच फ्लो : FSX
- घर -> उत्पादों -> जल प्रवाह स्विच : FSX
- घर -> उत्पादों -> फ्लो दृष्टि ग्लास : FGA
- घर -> उत्पादों -> फ्लो दृष्टि : FGB
















