
বাহা প্রকার ফ্লো সুইচ

বিশেষ উল্লেখ:
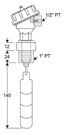
1.Hosing:ATEX EX-প্রমাণ
2.সংযোগ থ্রেড:1 "পিটি
3.বর্তমান স্যুইচিং:250VAC/ডিসি 60W/VA
4.সর্বোচ্চ.চাপ:25 কেজি/cmবর্গ
5.আউটপুট যোগাযোগ:SPDT
6.তাপমাত্রা বিন্যাস:-20~120°C
7.বাহা উপাদান:SUS301
প্রবাহ এবং পছন্দসই actuation সেট পয়েন্ট দিক নিয়ন্ত্রণ এবং অপারেশন গতিবিদ্যা জন্য প্রয়োজন হয় যেখানে আদর্শভাবে প্রক্রিয়া অ্যাপ্লিকেশনের ক্ষেত্রে উপযোগী হয় যে বাহা ফ্লো সুইচ.এই মনিটর প্রবাহ/কোন প্রবাহ পরিস্থিতি এবং বিভিন্ন বাহা লেন্থ মধ্যে সরবরাহ করা হয়.বাহা লেন্থ এর ছাঁটা পছন্দসই প্রবাহ হারে সুইচ actuation সুবিধাযুক্ত.প্রবাহ অবস্থার সেট সীমা এ actuated যা পায় রিড সুইচ নেভিগেশন স্যুইচ করার জন্য ব্যবহার করা যায়/এই প্রবাহ সুইচ ব্যবহার করা হয় যেখানে প্রক্রিয়া দ্বারা পছন্দসই ফিড লাইন বন্ধ.
1.এছাড়াও সন্নিবেশ টাইপ প্রবাহ সুইচ হিসেবে জানি
2.বিদ্যমান বংশীধ্বনিতুল্য সহজ ইনস্টলেশন
3.1 "8 "npt পাইপ মাপ npt
4.নিয়মিত সেট পয়েন্ট
5.স্টেইনলেস স্টীল এবং Teflon অংশ wetted
- বাসা -> পণ্য -> ফ্লো কন্ট্রোলার : FC-600
- বাসা -> পণ্য -> পোতচালক্চক্র ফ্লো মিটার : PWFM
- বাসা -> পণ্য -> বাহা ফ্লো সুইচ : DFB
- বাসা -> পণ্য -> বাহা প্রকার ফ্লো সুইচ : DFS
- বাসা -> পণ্য -> বাহা ফ্লো সুইচ : DFA
- বাসা -> পণ্য -> বাহা প্রকার ফ্লো সুইচ : DFX
- বাসা -> পণ্য -> ডিজিটাল ফ্লো মিটার : DFM
- বাসা -> পণ্য -> ফ্লো সুইচ : FSX
- বাসা -> পণ্য -> জল প্রবাহ সুইচ : FSX
- বাসা -> পণ্য -> ফ্লো দৃষ্টিশক্তি গ্লাস : FGA
- বাসা -> পণ্য -> ফ্লো দৃষ্টিশক্তি : FGB
















