
Тумблеры Тип потока

Технические условия:
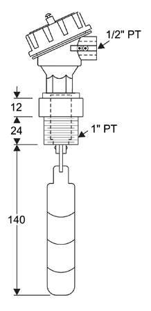
1.Шланги:ATEX EX-Доказательство
2.Резьбой:1 "PT
3.Коммутируемый ток:250VAC/DC 60W/VA
4.Макс.Давление:25 кг/cm²
5.Контактный выход:SPDT
6.Диапазон температур:-20~120°C
7.Материал Paddle:SUS301
Paddle Реле потока, которые идеально подходят в процессе применения, где направление потока и желаемой точки срабатывания набор необходимых для управления и динамика операций.Эти реле расхода/нет условий потока и не поставляются различной длины весла.Дифферент весло длиной облегчает приведения в действие переключателя на желаемом расходе.Геркона, который получает приводиться в установленных пределах условий потока может быть использована для включения/от линии питания в соответствии с пожеланиями процесс, в котором поток эти переключатели были использованы.
1.И знаете, как вставки типа реле протока
2.Простая установка в существующий трубопровод
3.1 "ДНЯО на 8 "NPT размеров труб
4.Регулируемые уставки
5.Нержавеющая сталь и тефлоновое контакте со средой
- Главная страница -> Продукция -> Регулятор потока : FC-600
- Главная страница -> Продукция -> Paddle колеса расходомер : PWFM
- Главная страница -> Продукция -> Поворотной лопасти потока : DFB
- Главная страница -> Продукция -> Лопастного типа реле потока : DFS
- Главная страница -> Продукция -> Переключатели потока Paddle : DFA
- Главная страница -> Продукция -> Тумблеры Тип потока : DFX
- Главная страница -> Продукция -> Цифровой измеритель потока : DFM
- Главная страница -> Продукция -> Реле потока : FSX
- Главная страница -> Продукция -> Реле расхода воды : FSX
- Главная страница -> Продукция -> Потока стекла Sight : FGA
- Главная страница -> Продукция -> Поток Sight : FGB
















