
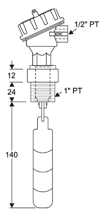
Paddle Type Switch Arus

Spesifikasi:
1.Selang:ATEX EX-Bukti
2.Koneksi Thread:1 "PT
3.Switching Lancar:250VAC/DC 60W/VA
4.Max.Tekanan:25 kg/cm²
5.Hubungi Keluaran:SPDT
6.Rentang Suhu:-20~120°C
7.Paddle Bahan:SUS301
Paddle Switch Arus yang cocok dalam aplikasi proses dimana arah aliran dan diinginkan set poin aktuasi diperlukan kontrol dan dinamika operasi.Ini mengalir Monitor/ada kondisi aliran dan disediakan dalam panjang dayung yang berbeda.Trim dengan panjang dayung memfasilitasi saklar aktuasi pada laju alir yang diinginkan.The Reed Beralih yang akan digerakkan di set batas kondisi aliran dapat dimanfaatkan untuk menghidupkan/off jalur pakan seperti yang diinginkan oleh proses dimana switch ini aliran dimanfaatkan.
1.Juga tahu sebagai penyisipan tipe aliran saklar
2.Instalasi Mudah dalam pipa yang ada
3.1 "npt sampai 8 "npt pipa ukuran
4.Set point Adjustable
5.Stainless steel dan teflon dibasahi bagian
- rumah -> produk -> Arus Kontroler : FC-600
- rumah -> produk -> Paddle Wheel Flow Meter : PWFM
- rumah -> produk -> Paddle Arus Beralih : DFB
- rumah -> produk -> Paddle Jenis Beralih Arus : DFS
- rumah -> produk -> Paddle Switch Arus : DFA
- rumah -> produk -> Paddle Type Switch Arus : DFX
- rumah -> produk -> Digital Flow Meter : DFM
- rumah -> produk -> Switch Arus : FSX
- rumah -> produk -> Arus air Beralih : FSX
- rumah -> produk -> Arus Penglihatan Kaca : FGA
- rumah -> produk -> Arus Penglihatan : FGB
















