
Type de palette Détecteurs de débit

Caractéristiques:
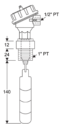
1.Tuyauterie:ATEX EX-Preuve
2.Fil de connexion:1 "PT
3.Courant de commutation:250VAC/DC 60W/VA
4.Max.Pression:25 kg/cm²
5.Sortie contact:SPDT
6.Température:-20~120°C
7.Paddle Matériel:SUS301
Détecteurs de débit à palette qui sont parfaitement adaptés à des applications de processus où la direction de l'écoulement et souhaités actionnement points de consigne sont nécessaires pour le contrôle et la dynamique des opérations.Ces flux de moniteur/aucune des conditions d'écoulement et sont fournis en différentes longueurs d'aubes.La garniture de longueurs de palette facilite l'actionnement de l'interrupteur à des débits souhaités.Le commutateur Reed qui obtient actionné à fixer des limites de conditions d'écoulement peut être utilisé pour allumer/hors des lignes d'alimentation comme souhaité par processus où ces débitmètres sont utilisés.
1.Aussi connu sous le détecteur de débit de type insertion
2.Installation facile dans la tuyauterie existante
3.1 "TNP à 8 "NPT tailles
4.Point de consigne réglable
5.Acier inoxydable et téflon contact avec le fluide
- Maison -> Produits -> Régulateur de débit : FC-600
- Maison -> Produits -> Paddle Débitmètre à roue : PWFM
- Maison -> Produits -> Paddle Débitmètre : DFB
- Maison -> Produits -> Type de Paddle Débitmètre : DFS
- Maison -> Produits -> Détecteurs de débit à palette : DFA
- Maison -> Produits -> Type de palette Détecteurs de débit : DFX
- Maison -> Produits -> Débitmètre numérique : DFM
- Maison -> Produits -> Détecteurs de débit : FSX
- Maison -> Produits -> Détecteur de débit d'eau : FSX
- Maison -> Produits -> Débit Sight verre : FGA
- Maison -> Produits -> Vue de débit : FGB
















