
Chèo Loại tắc dòng chảy

Thông số kỹ thuật:
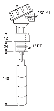
1.Hosing:ATEX EX-Bằng chứng
2.Kết nối chủ đề:1 "PT
3.Chuyển đổi hiện tại:250VAC/DC 60W/VA
4.Tối đa.Áp lực:25 kg/cm²
5.Liên hệ với đầu ra:SPDT
6.Phạm vi nhiệt độ:-20~120°C
7.Chèo liệu:SUS301
Công tắc dòng chảy mái chèo được lý tưởng trong các ứng dụng quá trình mà hướng dòng chảy và mong muốn đẩy đủ bộ điểm là cần thiết để kiểm soát và năng động của các hoạt động.Những dòng màn hình/không có điều kiện dòng chảy và được cung cấp trong chiều dài mái chèo khác nhau.Các trang trí có độ dài mái chèo tạo điều kiện cho truyền động chuyển đổi ở lưu lượng mong muốn.Switch Reed mà được actuated vào thiết lập giới hạn của điều kiện dòng chảy có thể được sử dụng để chuyển đổi trên/đứt các con đường thức ăn như mong muốn của quá trình mà các biến đổi dòng chảy được sử dụng.
1.Cũng biết như chèn chuyển đổi dòng chảy loại
2.Dễ dàng cài đặt trong đường ống hiện có
3.1 "npt đến 8 "npt ống kích cỡ
4.Điều chỉnh điểm thiết lập
5.Thép không gỉ và teflon ướt phần
- Trang chủ -> Sản phẩm -> Điều khiển dòng chảy : FC-600
- Trang chủ -> Sản phẩm -> Tàu hơi nước Flow Meter : PWFM
- Trang chủ -> Sản phẩm -> Paddle Flow Switch : DFB
- Trang chủ -> Sản phẩm -> Chèo Loại Flow Switch : DFS
- Trang chủ -> Sản phẩm -> Công tắc dòng chảy mái chèo : DFA
- Trang chủ -> Sản phẩm -> Chèo Loại tắc dòng chảy : DFX
- Trang chủ -> Sản phẩm -> Kỹ thuật số Flow Meter : DFM
- Trang chủ -> Sản phẩm -> Công tắc dòng chảy : FSX
- Trang chủ -> Sản phẩm -> Nước Flow Switch : FSX
- Trang chủ -> Sản phẩm -> Dòng chảy Sight Glass : FGA
- Trang chủ -> Sản phẩm -> Dòng chảy Sight : FGB
















